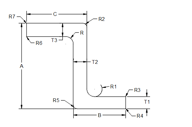
Aluminum Zee, Un-Equal Thickness
Description
Aluminum Zee, Un-Equal Thickness is an aerospace shapes are used in the manufacture and repair of commercial and military aircraft. Material produced and stocked by Aircraft Extrusion Co in 2024, 7075 and 6061 aircraft alloys and are supplied with full test reports to aircraft and FAA specification of AMS-QQ-A-200/3, AMS-QQ-A-200/11 and AMS-QQ-A-200/8. Aircraft Extrusion Co is AS9100 Rev C and ISO9001:2008 certified company.
| Part Number | A | B | C | D | T | T1 | T2 | T3 | R | R1 | R2 | R3 | R4 | R5 | Deg. |
|---|---|---|---|---|---|---|---|---|---|---|---|---|---|---|---|
| Clear Filter | |||||||||||||||
| TMS60-10015 | 1.700 | 1.000 | 0.900 | 0.120 | 0.100 | 0.120 | 0.160 | 0.160 | 0.031 | 0.031 | 0.031 | 0.031 | 90. 00 | ||
| TMS60-10066 | 1.500 | 1.000 | 0.750 | 0.165 | 0.100 | 0.100 | 0.120 | 0.120 | 0.031 | 0.031 | 0.031 | 0.031 | 90. 00 | ||
| TMS60-1014 | 2.600 | 1.250 | 1.250 | 0.200 | 0.250 | 0.200 | 0.180 | 0.180 | 0.031 | 0.060 | 0.031 | 0.031 | 90. 00 | ||
| TMS60-10170 | 0.800 | 0.750 | 0.750 | 0.090 | 0.060 | 0.090 | 0.060 | 0.060 | 0.016 | 0.016 | 0.016 | 0.016 | 90. 00 | ||
| TMS60-10193 | 0.582 | 1.530 | 0.950 | 0.080 | 0.100 | 0.125 | 0.060 | 0.060 | 0.016 | 0.016 | 0.016 | 0.016 | 90. 00 | ||
| TMS60-10194 | 0.919 | 1.200 | 0.750 | 0.115 | 0.055 | 0.080 | 0.120 | 0.120 | 0.016 | 0.016 | 0.016 | 0.016 | 90. 00 | ||
| TMS60-10210 | 0.650 | 0.630 | 0.400 | 0.051 | 0.040 | 0.040 | 0.060 | 0.060 | 0.016 | 0.016 | 0.016 | 0.016 | 90. 00 | ||
| TMS60-10211 | 1.650 | 1.900 | 0.620 | 0.090 | 0.060 | 0.090 | 0.120 | 0.120 | 0.031 | 0.031 | 0.031 | 0.031 | 90. 00 | ||
| TMS60-10212 | 1.000 | 0.680 | 0.500 | 0.056 | 0.050 | 0.050 | 0.090 | 0.090 | 0.016 | 0.016 | 0.016 | 0.016 | 90. 00 | ||
| TMS60-10228 | 1.120 | 1.500 | 0.500 | 0.091 | 0.063 | 0.063 | 0.060 | 0.090 | 0.030 | 0.030 | 0.030 | 0.030 | 90. 00 | ||
| TMS60-10377 | 1.500 | 0.850 | 0.600 | 0.100 | 0.080 | 0.100 | 0.090 | 0.090 | 0.016 | 0.016 | 0.016 | 0.016 | 90. 00 | ||
| TMS60-10412 | 1.500 | 0.800 | 0.630 | 0.063 | 0.063 | 0.093 | 0.094 | 0.094 | 0.031 | 0.031 | 0.031 | 0.031 | 90. 00 | ||
| TMS60-10445 | 2.500 | 0.820 | 0.480 | 0.273 | 0.100 | 0.190 | 0.100 | 0.100 | 0.016 | 0.016 | 0.016 | 0.016 | 90. 00 | ||
| TMS60-10451 | 2.750 | 0.864 | 0.714 | 0.315 | 0.122 | 0.714 | 0.122 | 0.122 | 0.016 | 0.016 | 0.016 | 0.016 | 90. 00 | ||
| TMS60-10542 | 2.500 | 1.200 | 0.900 | 0.135 | 0.080 | 0.100 | 0.120 | 0.120 | 0.031 | 0.031 | 0.031 | 0.031 | 90. 00 | ||
| TMS60-10548 | 1.700 | 1.150 | 1.025 | 0.140 | 0.125 | 0.100 | 0.125 | 0.125 | 0.031 | 0.031 | 0.031 | 0.031 | 90. 00 | ||
| TMS60-10585 | 1.500 | 0.930 | 0.875 | 0.080 | 0.070 | 0.080 | 0.060 | 0.060 | 0.016 | 0.016 | 0.016 | 0.016 | 90. 00 | ||
| TMS60-10652 | 1.750 | 1.000 | 1.000 | 0.220 | 0.100 | 0.120 | 0.120 | 0.120 | 0.031 | 0.031 | 0.031 | 0.031 | 90. 00 | ||
| TMS60-10661 | 1.000 | 0.750 | 0.450 | 0.080 | 0.050 | 0.080 | 0.090 | 0.090 | 0.016 | 0.080 | 0.016 | 0.016 | 90. 00 | ||
| TMS60-10680 | 0.580 | 0.940 | 0.680 | 0.120 | 0.120 | 0.100 | 0.120 | 0.120 | 0.016 | 0.016 | 0.016 | 0.016 | 90. 00 | ||
| TMS60-10693 | 2.650 | 1.600 | 1.600 | 0.360 | 0.190 | 0.190 | 0.120 | 0.120 | 0.031 | 0.031 | 0.031 | 0.031 | 90. 00 | ||
| TMS60-10694 | 2.000 | 1.300 | 1.000 | 0.170 | 0.120 | 0.170 | 0.160 | 0.160 | 0.031 | 0.031 | 0.031 | 0.031 | 90. 00 | ||
| TMS60-10747 | 1.700 | 1.330 | 0.700 | 0.140 | 0.080 | 0.150 | 0.094 | 0.094 | 0.016 | 0.094 | 0.016 | 0.016 | 90. 00 | ||
| TMS60-10757 | 1.750 | 1.000 | 0.500 | 0.094 | 0.125 | 0.125 | 0.125 | 0.125 | 0.016 | 0.125 | 0.016 | 0.016 | 90. 00 | ||
| TMS60-10770 | 3.000 | 1.100 | 1.000 | 0.270 | 0.120 | 0.220 | 0.160 | 0.160 | 0.060 | 0.031 | 0.031 | 0.031 | 90. 00 | ||
| TMS60-10825 | 1.500 | 1.100 | 1.020 | 0.180 | 0.120 | 0.180 | 0.120 | 0.120 | 0.031 | 0.031 | 0.031 | 0.031 | 90. 00 | ||
| TMS60-10826 | 1.250 | 1.700 | 0.800 | 0.060 | 0.060 | 0.090 | 0.120 | 0.120 | 0.190 | 0.030 | 0.030 | 0.030 | 90. 00 | ||
| TMS60-10833 | 0.775 | 1.650 | 0.900 | 0.120 | 0.060 | 0.080 | 0.125 | 0.125 | 0.090 | 0.030 | 0.030 | 0.030 | 90. 00 | ||
| TMS60-10874 | 1.500 | 1.100 | 0.900 | 0.120 | 0.100 | 0.120 | 0.120 | 0.120 | 0.031 | 0.031 | 0.031 | 0.031 | 90. 00 | ||
| TMS60-10878 | 1.750 | 0.562 | 0.562 | 0.125 | 0.063 | 0.063 | 0.094 | 0.094 | 0.016 | 0.062 | 0.016 | 0.016 | 90. 00 | ||
| TMS60-10881 | 2.000 | 0.750 | 0.688 | 0.150 | 0.060 | 0.060 | 0.094 | 0.094 | 0.062 | 0.016 | 0.016 | 0.016 | 90. 00 | ||
| TMS60-10888 | 3.280 | 1.450 | 0.900 | 1.050 | 0.200 | 0.610 | 0.160 | 0.160 | 0.030 | 0.030 | 0.030 | 0.030 | 90. 00 | ||
| TMS60-10923 | 2.050 | 1.150 | 0.700 | 0.160 | 0.080 | 0.100 | 0.180 | 0.250 | 0.031 | 0.031 | 0.031 | 0.031 | 90. 00 | ||
| TMS60-10932 | 1.250 | 1.000 | 0.800 | 0.250 | 0.100 | 0.120 | 0.120 | 0.120 | 0.031 | 0.031 | 0.031 | 0.031 | 90. 00 | ||
| TMS60-11121 | 3.540 | 1.300 | 1.000 | 0.300 | 0.130 | 0.100 | 0.120 | 0.180 | 0.030 | 0.030 | 0.030 | 0.030 | 90. 00 | ||
| TMS60-1114 | 2.500 | 1.000 | 0.860 | 0.120 | 0.063 | 0.090 | 0.080 | 0.080 | 0.030 | 0.060 | 0.030 | 0.030 | 90. 00 | ||
| TMS60-11192 | 2.660 | 1.200 | 1.200 | 0.390 | 0.160 | 0.160 | 0.156 | 0.156 | 0.031 | 0.031 | 0.031 | 0.031 | 90. 00 | ||
| TMS60-11257 | 2.000 | 1.050 | 0.500 | 0.180 | 0.100 | 0.200 | 0.125 | 0.125 | 0.030 | 0.030 | 0.030 | 0.030 | 90. 00 | ||
| TMS60-11261 | 2.000 | 1.300 | 0.750 | 0.230 | 0.140 | 0.200 | 0.190 | 0.190 | 0.030 | 0.030 | 0.030 | 0.030 | 90. 00 | ||
| TMS60-11323 | 4.440 | 1.160 | 1.160 | 0.125 | 0.100 | 0.125 | 0.190 | 0.190 | 0.030 | 0.030 | 0.030 | 0.030 | 90. 00 | ||
| TMS60-11347 | 4.440 | 1.160 | 1.160 | 0.150 | 0.100 | 0.150 | 0.190 | 0.190 | 0.030 | 0.030 | 0.030 | 0.030 | 90. 00 | ||
| TMS60-11379 | 0.160 | 1.070 | 1.070 | 0.080 | 0.090 | 0.080 | 0.080 | 0.080 | 0.031 | 0.040 | 0.040 | 0.031 | 90. 00 | ||
| TMS60-11385 | 4.440 | 1.160 | 1.160 | 0.220 | 0.100 | 0.220 | 0.190 | 0.190 | 0.030 | 0.030 | 0.030 | 0.030 | 90. 00 | ||
| TMS60-11433 | 1.250 | 1.450 | 0.500 | 0.160 | 0.080 | 0.080 | 0.090 | 0.090 | 0.030 | 0.030 | 0.030 | 0.030 | 90. 00 | ||
| TMS60-11447 | 2.500 | 1.350 | 1.250 | 0.190 | 0.140 | 0.140 | 0.156 | 0.156 | 0.031 | 0.031 | 0.031 | 0.031 | 90. 00 | ||
| TMS60-11449 | 0.408 | 1.055 | 1.000 | 0.090 | 0.055 | 0.156 | 0.094 | 0.250 | 0.031 | 0.031 | 0.031 | 0.031 | 90. 00 | ||
| TMS60-11457 | 1.500 | 1.100 | 0.900 | 0.150 | 0.100 | 0.180 | 0.120 | 0.120 | 0.220 | 0.060 | 0.060 | 0.060 | 90. 00 | ||
| TMS60-11524 | 1.000 | 1.000 | 0.622 | 0.125 | 0.122 | 0.250 | 0.090 | 0.090 | 0.090 | 0.016 | 0.016 | 0.060 | 90. 00 | ||
| TMS60-12055 | 1.500 | 1.400 | 0.750 | 0.188 | 0.156 | 0.156 | 0.100 | 0.190 | 0.031 | 0.031 | 0.031 | 0.031 | 90. 00 | ||
| TMS60-12057 | 2.000 | 1.150 | 0.900 | 0.150 | 0.100 | 0.100 | 0.125 | 0.125 | 0.010 | 0.010 | 0.010 | 0.010 | 90. 00 | ||
| TMS60-12059 | 1.250 | 1.000 | 0.900 | 0.120 | 0.080 | 0.080 | 0.125 | 0.125 | 0.031 | 0.031 | 0.031 | 0.031 | 90. 00 | ||
| TMS60-12060 | 0.230 | 1.410 | 1.290 | 0.090 | 0.170 | 0.090 | 0.120 | 0.120 | 0.060 | 0.031 | 0.031 | 0.060 | 90. 00 | ||
| TMS60-12063 | 1.500 | 1.000 | 0.500 | 0.140 | 0.125 | 0.240 | 0.125 | 0.125 | 0.031 | 0.031 | 0.031 | 0.031 | 90. 00 | ||
| TMS60-12064 | 1.500 | 1.000 | 1.000 | 0.170 | 0.125 | 0.170 | 0.125 | 0.125 | 0.031 | 0.031 | 0.031 | 0.031 | 90. 00 | ||
| TMS60-12066 | 2.500 | 1.250 | 0.750 | 0.200 | 0.130 | 0.100 | 0.120 | 0.120 | 0.030 | 0.200 | 0.030 | 0.030 | 90. 00 | ||
| TMS60-12067 | 2.500 | 1.100 | 0.750 | 0.130 | 0.120 | 0.090 | 0.120 | 0.120 | 0.030 | 0.130 | 0.030 | 0.030 | 90. 00 | ||
| TMS60-12070 | 1.000 | 1.000 | 0.800 | 0.200 | 0.100 | 0.150 | 0.125 | 0.125 | 0.060 | 0.060 | 0.060 | 0.060 | 90. 00 | ||
| TMS60-12073 | 2.000 | 1.060 | 0.750 | 0.130 | 0.100 | 0.130 | 0.120 | 0.120 | 0.030 | 0.030 | 0.030 | 0.030 | 90. 00 | ||
| TMS60-12078 | 3.750 | 1.400 | 1.200 | 0.180 | 0.140 | 0.210 | 0.160 | 0.160 | 0.030 | 0.030 | 0.030 | 0.030 | 90. 00 | ||
| TMS60-12081 | 3.000 | 1.300 | 1.000 | 0.320 | 0.150 | 0.120 | 0.150 | 0.150 | 0.030 | 0.030 | 0.030 | 0.030 | 90. 00 | ||
| TMS60-12199 | 0.925 | 1.772 | 0.709 | 0.079 | 0.055 | 0.063 | 0.098 | 0.098 | 0.016 | 0.016 | 0.016 | 0.016 | 90. 00 | ||
| TMS60-12348 | 1.225 | 0.625 | 0.625 | 0.063 | 0.045 | 0.045 | 0.090 | 0.090 | 0.016 | 0.063 | 0.016 | 0.016 | 90. 00 | ||
| TMS60-12350 | 2.000 | 0.900 | 0.900 | 0.080 | 0.070 | 0.080 | 0.060 | 0.060 | 0.016 | 0.016 | 0.016 | 0.016 | 90. 00 | ||
| TMS60-12356 | 2.000 | 1.250 | 1.000 | 0.094 | 0.094 | 0.063 | 0.125 | 0.125 | 0.031 | 0.031 | 0.031 | 0.031 | 90. 00 | ||
| TMS60-12375 | 0.550 | 1.290 | 1.000 | 0.060 | 0.080 | 0.060 | 0.062 | 0.016 | 0.016 | 0.016 | 0.016 | 0.016 | 90. 00 | ||
| TMS60-12455 | 1.854 | 0.875 | 0.835 | 0.077 | 0.100 | 0.060 | 0.150 | 0.150 | 0.016 | 0.016 | 0.016 | 0.016 | 90. 00 | ||
| TMS60-12474 | 3.000 | 1.000 | 1.000 | 0.120 | 0.080 | 0.120 | 0.190 | 0.190 | 0.060 | 0.031 | 0.031 | 0.060 | 90. 00 | ||
| TMS60-12496 | 1.102 | 2.441 | 1.515 | 0.157 | 0.098 | 0.118 | 0.098 | 0.098 | 0.016 | 0.016 | 0.016 | 0.016 | 90. 00 | ||
| TMS60-12550 | 0.354 | 0.880 | 0.500 | 0.064 | 0.125 | 0.090 | 0.125 | 0.031 | 0.031 | 0.031 | 0.031 | 0.031 | 90. 00 | ||
| TMS60-12722 | 1.625 | 1.060 | 0.780 | 0.156 | 0.156 | 0.125 | 0.094 | 0.094 | 0.016 | 0.062 | 0.016 | 0.016 | 90. 00 | ||
| TMS60-12869 | 2.090 | 2.310 | 1.720 | 1.000 | 0.700 | 0.450 | 0.250 | 0.250 | 0.060 | 0.060 | 0.060 | 0.060 | 90. 00 | ||
| TMS60-12913 | 2.750 | 1.260 | 0.900 | 0.920 | 0.140 | 0.140 | 0.160 | 0.160 | 0.030 | 0.030 | 0.030 | 0.030 | 90. 00 | ||
| TMS60-12923 | 2.050 | 1.300 | 0.750 | 0.800 | 0.140 | 0.200 | 0.160 | 0.160 | 0.030 | 0.030 | 0.030 | 0.030 | 90. 00 | ||
| TMS60-13337 | 3.000 | 1.800 | 1.700 | 0.063 | 0.080 | 0.250 | 0.125 | 0.125 | 0.010 | 0.010 | 0.010 | 0.010 | 90. 00 | ||
| TMS60-13536 | 1.500 | 1.250 | 0.500 | 0.130 | 0.100 | 0.130 | 0.125 | 0.125 | 0.016 | 0.016 | 0.016 | 0.016 | 90. 00 | ||
| TMS60-1360 | 1.075 | 1.500 | 1.000 | 0.375 | 0.219 | 0.050 | 0.060 | 0.090 | 0.090 | 0.015 | 0.015 | 0.015 | 90. 00 | ||
| TMS60-13700 | 1.750 | 1.000 | 0.800 | 0.700 | 0.175 | 0.325 | 0.120 | 0.160 | 0.030 | 0.030 | 0.030 | 0.030 | 90. 00 | ||
| TMS60-13731 | 2.300 | 1.250 | 0.580 | 0.800 | 0.170 | 0.090 | 0.160 | 0.160 | 0.030 | 0.030 | 0.030 | 0.030 | 90. 00 | ||
| TMS60-13974 | 2.000 | 1.500 | 1.500 | 0.300 | 0.200 | 0.300 | 0.160 | 0.160 | 0.030 | 0.030 | 0.030 | 0.030 | 90. 00 | ||
| TMS60-14017 | 0.155 | 1.000 | 0.850 | 0.040 | 0.100 | 0.040 | 0.060 | 0.060 | 0.016 | 0.016 | 0.016 | 0.016 | 90. 00 | ||
| TMS60-14069 | 3.420 | 0.950 | 0.750 | 0.150 | 0.070 | 0.070 | 0.125 | 0.156 | 0.125 | 0.125 | 0.031 | 0.031 | 90. 00 | ||
| TMS60-14109 | 1.350 | 0.675 | 0.550 | 0.090 | 0.056 | 0.100 | 0.125 | 0.125 | 0.016 | 0.016 | 0.016 | 0.016 | 90. 00 | ||
| TMS60-14150 | 1.500 | 0.870 | 0.870 | 0.140 | 0.090 | 0.090 | 0.060 | 0.060 | 0.016 | 0.016 | 0.016 | 0.016 | 90. 00 | ||
| TMS60-14418 | 1.750 | 1.000 | 1.000 | 0.070 | 0.070 | 0.100 | 0.120 | 0.120 | 0.031 | 0.050 | 0.031 | 0.031 | 90. 00 | ||
| TMS60-14419 | 2.000 | 1.100 | 0.800 | 0.140 | 0.090 | 0.060 | 0.125 | 0.125 | 0.031 | 0.031 | 0.031 | 0.031 | 90. 00 | ||
| TMS60-14422 | 2.250 | 1.100 | 0.800 | 0.210 | 0.140 | 0.060 | 0.190 | 0.190 | 0.031 | 0.031 | 0.031 | 0.031 | 90. 00 | ||
| TMS60-14423 | 1.700 | 1.000 | 0.600 | 0.120 | 0.100 | 0.100 | 0.150 | 0.120 | 0.031 | 0.031 | 0.031 | 0.031 | 90. 00 | ||
| TMS60-14424 | 1.850 | 1.000 | 0.750 | 0.160 | 0.120 | 0.100 | 0.160 | 0.190 | 0.031 | 0.031 | 0.031 | 0.031 | 90. 00 | ||
| TMS60-14425 | 2.000 | 1.200 | 0.750 | 0.190 | 0.120 | 0.120 | 0.190 | 0.160 | 0.031 | 0.031 | 0.031 | 0.031 | 90. 00 | ||
| TMS60-14663 | 0.170 | 1.530 | 1.200 | 0.080 | 0.090 | 0.080 | 0.060 | 0.030 | 0.016 | 0.016 | 0.016 | 0.016 | 90. 00 | ||
| TMS60-14697 | 2.065 | 0.918 | 0.838 | 0.105 | 0.063 | 0.063 | 0.125 | 0.125 | 0.016 | 0.016 | 0.016 | 0.016 | 90. 00 | ||
| TMS60-14709 | 2.023 | 1.250 | 1.120 | 0.063 | 0.063 | 0.090 | 0.125 | 0.125 | 0.160 | 0.016 | 0.016 | 0.160 | 90. 00 | ||
| TMS60-14765 | 4.000 | 1.000 | 1.000 | 0.120 | 0.060 | 0.080 | 0.100 | 0.100 | 0.016 | 0.016 | 0.016 | 0.016 | 90. 00 | ||
| TMS60-14839 | 1.800 | 1.060 | 0.620 | 0.120 | 0.100 | 0.100 | 0.120 | 0.120 | 0.031 | 0.031 | 0.031 | 0.031 | 90. 00 | ||
| TMS60-14847 | 2.500 | 1.175 | 1.000 | 0.125 | 0.100 | 0.125 | 0.125 | 0.125 | 0.031 | 0.031 | 0.031 | 0.031 | 90. 00 | ||
| TMS60-14942 | 0.570 | 0.630 | 0.400 | 0.051 | 0.040 | 0.040 | 0.060 | 0.060 | 0.016 | 0.016 | 0.016 | 0.016 | 90. 00 | ||
| TMS60-14955 | 3.700 | 1.000 | 1.000 | 0.080 | 0.050 | 0.080 | 0.120 | 0.120 | 0.016 | 0.016 | 0.016 | 0.016 | 90. 00 | ||
| TMS60-14960 | 0.190 | 1.240 | 1.400 | 0.080 | 0.150 | 0.080 | 0.062 | 0.062 | 0.016 | 0.050 | 0.030 | 0.050 | 90. 00 | ||
| TMS60-15050 | 1.750 | 1.250 | 0.750 | 0.165 | 0.094 | 0.094 | 0.125 | 0.125 | 0.016 | 0.016 | 0.016 | 0.016 | 90. 00 | ||
| TMS60-15070 | 1.600 | 1.000 | 0.800 | 0.080 | 0.070 | 0.125 | 0.125 | 0.125 | 0.030 | 0.030 | 0.030 | 0.030 | 90. 00 | ||
| TMS60-15140 | 2.000 | 1.300 | 1.000 | 0.180 | 0.100 | 0.200 | 0.125 | 0.125 | 0.031 | 0.031 | 0.031 | 0.031 | 90. 00 | ||
| TMS60-15166 | 0.625 | 0.750 | 0.750 | 0.125 | 0.063 | 0.063 | 0.125 | 0.125 | 0.016 | 0.063 | 0.016 | 0.016 | 90. 00 | ||
| TMS60-15171 | 3.280 | 1.400 | 0.900 | 1.050 | 0.150 | 0.610 | 0.160 | 0.160 | 0.030 | 0.030 | 0.030 | 0.030 | 90. 00 | ||
| TMS60-15200 | 4.440 | 1.160 | 1.160 | 0.300 | 0.100 | 0.300 | 0.190 | 0.190 | 0.030 | 0.030 | 0.030 | 0.030 | 90. 00 | ||
| TMS60-15264 | 1.500 | 1.430 | 0.650 | 0.080 | 0.063 | 0.080 | 0.125 | 0.125 | 0.020 | 0.020 | 0.020 | 0.020 | 90. 00 | ||
| TMS60-15320 | 1.700 | 1.000 | 0.700 | 0.140 | 0.090 | 0.090 | 0.190 | 0.190 | 0.030 | 0.030 | 0.030 | 0.030 | 90. 00 | ||
| TMS60-15366 | 1.750 | 1.360 | 0.700 | 0.410 | 0.100 | 0.120 | 0.120 | 0.120 | 0.031 | 0.031 | 0.031 | 0.031 | 90. 00 | ||
| TMS60-15414 | 1.500 | 1.000 | 0.500 | 0.091 | 0.068 | 0.063 | 0.125 | 0.125 | 0.016 | 0.016 | 0.016 | 0.016 | 90. 00 | ||
| TMS60-15523 | 0.820 | 3.000 | 0.900 | 0.080 | 0.080 | 0.060 | 0.100 | 0.100 | 0.031 | 0.031 | 0.031 | 0.031 | 90. 00 | ||
| TMS60-15613 | 2.750 | 1.152 | 0.731 | 0.386 | 0.131 | 0.386 | 0.131 | 0.131 | 0.016 | 0.016 | 0.016 | 0.016 | 90. 00 | ||
| TMS60-15624 | 0.280 | 1.170 | 0.820 | 0.040 | 0.070 | 0.040 | 0.030 | 0.030 | 0.016 | 0.016 | 0.016 | 0.016 | 90. 00 | ||
| TMS60-15813 | 0.100 | 2.370 | 1.400 | 0.080 | 0.070 | 0.080 | 0.060 | 0.060 | 0.031 | 0.031 | 0.031 | 0.031 | 90. 00 | ||
| TMS60-15838 | 1.900 | 0.750 | 0.400 | 0.070 | 0.060 | 0.060 | 0.090 | 0.090 | 0.025 | 0.025 | 0.025 | 0.025 | 90. 00 | ||
| TMS60-15895 | 1.250 | 1.180 | 0.810 | 0.100 | 0.060 | 0.100 | 0.120 | 0.120 | 0.031 | 0.031 | 0.031 | 0.031 | 90. 00 | ||
| TMS60-15920 | 1.000 | 0.750 | 0.500 | 0.062 | 0.050 | 0.062 | 0.062 | 0.062 | 0.031 | 0.031 | 0.031 | 0.031 | 90. 00 | ||
| TMS60-15986 | 1.500 | 0.750 | 0.500 | 0.070 | 0.050 | 0.050 | 0.090 | 0.090 | 0.016 | 0.016 | 0.016 | 0.016 | 90. 00 | ||
| TMS60-15987 | 1.375 | 1.250 | 0.500 | 0.160 | 0.090 | 0.090 | 0.120 | 0.120 | 0.016 | 0.016 | 0.016 | 0.016 | 90. 00 | ||
| TMS60-16001 | 1.850 | 1.000 | 0.600 | 0.100 | 0.070 | 0.060 | 0.120 | 0.120 | 0.030 | 0.030 | 0.030 | 0.030 | 90. 00 | ||
| TMS60-16049 | 5.425 | 1.250 | 1.125 | 0.200 | 0.100 | 0.200 | 0.130 | 0.190 | 0.016 | 0.016 | 0.016 | 0.016 | 90. 00 | ||
| TMS60-16055 | 1.320 | 1.250 | 0.750 | 0.100 | 0.058 | 0.130 | 0.070 | 0.070 | 0.031 | 0.031 | 0.031 | 0.031 | 90. 00 | ||
| TMS60-1611 | 2.000 | 0.830 | 0.720 | 0.100 | 0.080 | 0.080 | 0.130 | 0.130 | 0.016 | 0.016 | 0.016 | 0.016 | 90. 00 | ||
| TMS60-16144 | 0.150 | 1.221 | 0.900 | 0.079 | 0.119 | 0.079 | 0.020 | 0.020 | 0.020 | 0.020 | 0.020 | 0.020 | 90. 00 | ||
| TMS60-16197 | 3.500 | 1.000 | 1.000 | 0.120 | 0.060 | 0.080 | 0.100 | 0.100 | 0.016 | 0.016 | 0.016 | 0.016 | 90. 00 | ||
| TMS60-1624 | 1.500 | 0.800 | 0.650 | 0.080 | 0.050 | 0.063 | 0.062 | 0.062 | 0.031 | 0.031 | 0.031 | 0.031 | 90. 00 | ||
| TMS60-16301 | 0.197 | 1.319 | 1.200 | 0.071 | 0.236 | 0.079 | 0.098 | 0.098 | 0.016 | 0.016 | 0.016 | 0.016 | 90. 00 | ||
| TMS60-16478 | 1.500 | 0.740 | 0.620 | 0.120 | 0.060 | 0.070 | 0.090 | 0.090 | 0.016 | 0.016 | 0.016 | 0.016 | 90. 00 | ||
| TMS60-16528 | 2.750 | 1.540 | 0.970 | 0.250 | 0.180 | 0.180 | 0.180 | 0.016 | 0.016 | 0.016 | 0.016 | 0.016 | 90. 00 | ||
| TMS60-16548 | 4.000 | 1.500 | 1.250 | 0.180 | 0.125 | 0.200 | 0.160 | 0.160 | 0.031 | 0.031 | 0.031 | 0.031 | 90. 00 | ||
| TMS60-16604 | 2.100 | 1.220 | 1.100 | 0.110 | 0.220 | 0.110 | 0.150 | 0.150 | 0.016 | 0.016 | 0.016 | 0.016 | 90. 00 | ||
| TMS60-16674 | 0.147 | 1.060 | 0.720 | 0.055 | 0.060 | 0.080 | 0.060 | 0.060 | 0.016 | 0.016 | 0.016 | 0.016 | 90. 00 | ||
| TMS60-16710 | 1.380 | 1.100 | 1.000 | 0.160 | 0.090 | 0.090 | 0.125 | 0.125 | 0.031 | 0.031 | 0.031 | 0.031 | 90. 00 | ||
| TMS60-16913 | 1.040 | 0.770 | 0.520 | 0.070 | 0.060 | 0.100 | 0.130 | 0.130 | 0.070 | 0.032 | 0.032 | 0.032 | 90. 00 | ||
| TMS60-16941 | 2.380 | 1.710 | 1.310 | 1.110 | 0.290 | 0.280 | 0.120 | 0.120 | 0.031 | 0.031 | 0.031 | 0.031 | 90. 00 | ||
| TMS60-16953 | 2.360 | 2.030 | 1.570 | 1.090 | 0.360 | 0.560 | 0.120 | 0.120 | 0.031 | 0.031 | 0.031 | 0.031 | 90. 00 | ||
| TMS60-17032 | 3.200 | 2.120 | 1.250 | 0.210 | 0.156 | 0.450 | 0.188 | 0.188 | 0.031 | 0.031 | 0.031 | 0.031 | 90. 00 | ||
| TMS60-17045 | 1.375 | 1.100 | 0.500 | 0.120 | 0.080 | 0.080 | 0.125 | 0.125 | 0.031 | 0.031 | 0.031 | 0.031 | 90. 00 | ||
| TMS60-17047 | 1.250 | 1.100 | 0.800 | 0.150 | 0.100 | 0.120 | 0.120 | 0.120 | 0.031 | 0.031 | 0.031 | 0.031 | 90. 00 | ||
| TMS60-17204 | 2.250 | 1.450 | 0.900 | 0.150 | 0.120 | 0.120 | 0.130 | 0.130 | 0.030 | 0.030 | 0.030 | 0.030 | 90. 00 | ||
| TMS60-17246 | 0.125 | 2.023 | 1.435 | 0.060 | 0.188 | 0.083 | 0.060 | 0.060 | 0.031 | 0.030 | 0.030 | 0.031 | 90. 00 | ||
| TMS60-17251 | 2.120 | 1.910 | 1.670 | 0.390 | 0.610 | 0.450 | 0.250 | 0.250 | 0.060 | 0.060 | 0.060 | 0.060 | 90. 00 | ||
| TMS60-17257 | 2.900 | 1.350 | 0.700 | 0.660 | 0.125 | 0.150 | 0.125 | 0.125 | 0.016 | 0.016 | 0.016 | 0.016 | 90. 00 | ||
| TMS60-17292 | 2.200 | 1.200 | 1.200 | 0.200 | 0.200 | 0.360 | 0.120 | 0.120 | 0.030 | 0.030 | 0.030 | 0.030 | 90. 00 | ||
| TMS60-17308 | 1.950 | 1.150 | 1.150 | 0.155 | 0.155 | 0.320 | 0.120 | 0.120 | 0.030 | 0.030 | 0.030 | 0.030 | 90. 00 | ||
| TMS60-17328 | 1.750 | 1.130 | 1.100 | 0.110 | 0.110 | 0.200 | 0.125 | 0.125 | 0.031 | 0.031 | 0.031 | 0.031 | 90. 00 | ||
| TMS60-17461 | 3.000 | 1.312 | 1.250 | 0.094 | 0.188 | 0.094 | 0.094 | 0.094 | 0.016 | 0.016 | 0.016 | 0.016 | 90. 00 | ||
| TMS60-17481 | 2.750 | 0.994 | 0.713 | 0.359 | 0.122 | 0.359 | 0.122 | 0.122 | 0.016 | 0.016 | 0.016 | 0.016 | 90. 00 | ||
| TMS60-17542 | 2.000 | 1.250 | 1.000 | 0.180 | 0.120 | 0.170 | 0.120 | 0.120 | 0.031 | 0.031 | 0.031 | 0.031 | 90. 00 | ||
| TMS60-17543 | 2.000 | 1.250 | 1.000 | 0.150 | 0.120 | 0.100 | 0.120 | 0.120 | 0.031 | 0.031 | 0.031 | 0.031 | 90. 00 | ||
| TMS60-1755 | 1.000 | 1.000 | 0.563 | 0.100 | 0.063 | 0.063 | 0.125 | 0.125 | 0.030 | 0.100 | 0.030 | 0.030 | 90. 00 | ||
| TMS60-17633 | 2.500 | 1.210 | 0.750 | 0.160 | 0.100 | 0.100 | 0.120 | 0.120 | 0.032 | 0.032 | 0.032 | 0.032 | 90. 00 | ||
| TMS60-17678 | 1.500 | 1.100 | 0.600 | 0.090 | 0.062 | 0.062 | 0.160 | 0.160 | 0.031 | 0.031 | 0.031 | 0.031 | 90. 00 | ||
| TMS60-17682 | 1.500 | 1.100 | 0.580 | 0.150 | 0.062 | 0.062 | 0.160 | 0.160 | 0.031 | 0.031 | 0.031 | 0.031 | 90. 00 | ||
| TMS60-17718 | 0.875 | 0.800 | 0.750 | 0.100 | 0.070 | 0.050 | 0.042 | 0.042 | 0.032 | 0.032 | 0.032 | 0.037 | 90. 00 | ||
| TMS60-17733 | 2.000 | 0.800 | 0.690 | 0.090 | 0.064 | 0.064 | 0.094 | 0.094 | 0.010 | 0.010 | 0.010 | 0.010 | 90. 00 | ||
| TMS60-17744 | 2.580 | 1.600 | 1.600 | 0.470 | 0.235 | 0.235 | 0.120 | 0.120 | 0.031 | 0.031 | 0.031 | 0.031 | 90. 00 | ||
| TMS60-17832 | 1.000 | 0.750 | 0.450 | 0.063 | 0.040 | 0.050 | 0.060 | 0.060 | 0.016 | 0.016 | 0.016 | 0.016 | 90. 00 | ||
| TMS60-17944 | 2.060 | 1.250 | 1.000 | 0.460 | 0.082 | 0.085 | 0.120 | 0.120 | 0.031 | 0.031 | 0.031 | 0.031 | 90. 00 | ||
| TMS60-17973 | 2.750 | 0.994 | 0.714 | 0.344 | 0.122 | 0.344 | 0.122 | 0.122 | 0.016 | 0.016 | 0.016 | 0.016 | 90. 00 | ||
| TMS60-1805 | 1.250 | 1.000 | 1.000 | 0.100 | 0.072 | 0.100 | 0.090 | 0.090 | 0.016 | 0.016 | 0.016 | 0.016 | 90. 00 | ||
| TMS60-18103 | 1.225 | 0.812 | 0.750 | 0.063 | 0.045 | 0.045 | 0.090 | 0.090 | 0.010 | 0.063 | 0.010 | 0.010 | 90. 00 | ||
| TMS60-18202 | 2.400 | 1.210 | 0.950 | 0.250 | 0.100 | 0.230 | 0.120 | 0.120 | 0.031 | 0.031 | 0.031 | 0.031 | 90. 00 | ||
| TMS60-18238 | 0.170 | 0.510 | 0.750 | 0.050 | 0.060 | 0.050 | 0.060 | 0.060 | 0.016 | 0.016 | 0.016 | 0.016 | 90. 00 | ||
| TMS60-18262 | 2.060 | 1.170 | 0.840 | 0.740 | 0.190 | 0.190 | 0.160 | 0.160 | 0.032 | 0.032 | 0.032 | 0.032 | 90. 00 | ||
| TMS60-18461 | 1.575 | 0.984 | 0.984 | 0.118 | 0.098 | 0.138 | 0.126 | 0.126 | 0.024 | 0.024 | 0.031 | 0.031 | 90. 00 | ||
| TMS60-18462 | 1.575 | 1.575 | 0.984 | 0.142 | 0.098 | 0.138 | 0.126 | 0.126 | 0.031 | 0.031 | 0.031 | 0.024 | 90. 00 | ||
| TMS60-18585 | 1.660 | 1.000 | 0.500 | 0.130 | 0.100 | 0.120 | 0.120 | 0.120 | 0.031 | 0.031 | 0.031 | 0.031 | 90. 00 | ||
| TMS60-18586 | 2.050 | 1.250 | 1.000 | 0.950 | 0.110 | 0.100 | 0.160 | 0.160 | 0.030 | 0.030 | 0.030 | 0.030 | 90. 00 | ||
| TMS60-18677 | 2.190 | 0.820 | 1.500 | 0.125 | 0.125 | 0.140 | 0.190 | 0.190 | 0.016 | 0.016 | 0.016 | 0.016 | 90. 00 | ||
| TMS60-18783 | 3.060 | 1.650 | 1.630 | 1.000 | 0.250 | 0.560 | 0.160 | 0.160 | 0.032 | 0.032 | 0.032 | 0.032 | 90. 00 | ||
| TMS60-18787 | 0.180 | 0.960 | 1.160 | 0.070 | 0.200 | 0.070 | 0.120 | 0.120 | 0.016 | 0.016 | 0.016 | 0.016 | 90. 00 | ||
| TMS60-18797 | 1.312 | 1.255 | 0.750 | 0.255 | 0.255 | 0.250 | 0.062 | 0.062 | 0.031 | 0.031 | 0.031 | 0.031 | 90. 00 | ||
| TMS60-18946 | 1.225 | 0.800 | 0.800 | 0.080 | 0.040 | 0.040 | 0.090 | 0.090 | 0.016 | 0.080 | 0.016 | 0.016 | 90. 00 | ||
| TMS60-18953 | 1.024 | 0.787 | 0.591 | 0.055 | 0.051 | 0.063 | 0.098 | 0.098 | 0.012 | 0.012 | 0.012 | 0.012 | 90. 00 | ||
| TMS60-18954 | 1.024 | 0.787 | 0.591 | 0.047 | 0.047 | 0.051 | 0.098 | 0.098 | 0.012 | 0.012 | 0.012 | 0.012 | 90. 00 | ||
| TMS60-18955 | 1.024 | 0.787 | 0.591 | 0.071 | 0.059 | 0.118 | 0.098 | 0.098 | 0.012 | 0.012 | 0.012 | 0.012 | 90. 00 | ||
| TMS60-19039 | 1.220 | 0.748 | 0.709 | 0.098 | 0.071 | 0.091 | 0.098 | 0.098 | 0.012 | 0.012 | 0.012 | 0.012 | 90. 00 | ||
| TMS60-19128 | 0.500 | 1.750 | 1.420 | 0.080 | 0.200 | 0.080 | 0.060 | 0.060 | 0.016 | 0.016 | 0.016 | 0.016 | 90. 00 | ||
| TMS60-19141 | 3.165 | 2.280 | 2.100 | 0.080 | 0.100 | 0.095 | 0.125 | 0.125 | 0.016 | 0.016 | 0.016 | 0.016 | 90. 00 | ||
| TMS60-19170 | 0.945 | 1.102 | 0.591 | 0.063 | 0.063 | 0.091 | 0.118 | 0.118 | 0.012 | 0.012 | 0.012 | 0.012 | 90. 00 | ||
| TMS60-19367 | 0.750 | 0.800 | 0.750 | 0.100 | 0.070 | 0.050 | 0.035 | 0.035 | 0.032 | 0.032 | 0.032 | 0.032 | 90. 00 | ||
| TMS60-19368 | 2.750 | 1.210 | 1.000 | 0.270 | 0.100 | 0.250 | 0.120 | 0.120 | 0.031 | 0.031 | 0.031 | 0.031 | 90. 00 | ||
| TMS60-19382 | 2.450 | 1.210 | 0.920 | 0.220 | 0.100 | 0.150 | 0.120 | 0.120 | 0.031 | 0.031 | 0.031 | 0.031 | 90. 00 | ||
| TMS60-19424 | 2.670 | 1.880 | 1.690 | 0.520 | 0.320 | 0.470 | 0.190 | 0.190 | 0.030 | 0.030 | 0.030 | 0.030 | 90. 00 | ||
| TMS60-19501 | 0.150 | 1.160 | 1.060 | 0.070 | 0.070 | 0.100 | 0.120 | 0.120 | 0.016 | 0.016 | 0.016 | 0.016 | 90. 00 | ||
| TMS60-19525 | 2.350 | 4.000 | 1.400 | 0.350 | 0.350 | 0.400 | 0.250 | 0.250 | 0.031 | 0.031 | 0.031 | 0.031 | 90. 00 | ||
| TMS60-19571 | 1.024 | 0.866 | 0.591 | 0.079 | 0.098 | 0.138 | 0.098 | 0.098 | 0.012 | 0.012 | 0.012 | 0.012 | 90. 00 | ||
| TMS60-19611 | 1.784 | 1.219 | 1.062 | 0.192 | 0.130 | 0.192 | 0.125 | 0.125 | 0.031 | 0.310 | 0.031 | 0.031 | 90. 00 | ||
| TMS60-19637 | 2.300 | 3.250 | 2.670 | 0.125 | 0.400 | 0.125 | 0.094 | 0.094 | 0.031 | 0.031 | 0.031 | 0.031 | 90. 00 | ||
| TMS60-19671 | 1.437 | 1.000 | 0.875 | 0.187 | 0.187 | 0.312 | 0.125 | 0.125 | 0.031 | 0.031 | 0.031 | 0.031 | 90. 00 | ||
| TMS60-19743 | 2.120 | 1.660 | 1.500 | 0.960 | 0.380 | 0.560 | 0.190 | 0.190 | 0.032 | 0.032 | 0.032 | 0.032 | 90. 00 | ||
| TMS60-19826 | 0.750 | 0.850 | 0.630 | 0.070 | 0.050 | 0.050 | 0.090 | 0.090 | 0.016 | 0.016 | 0.016 | 0.016 | 90. 00 | ||
| TMS60-19829 | 2.350 | 1.210 | 0.400 | 0.320 | 0.100 | 0.100 | 0.120 | 0.120 | 0.031 | 0.031 | 0.031 | 0.031 | 90. 00 | ||
| TMS60-19861 | 1.500 | 1.000 | 0.810 | 0.080 | 0.060 | 0.060 | 0.120 | 0.120 | 0.016 | 0.016 | 0.016 | 0.016 | 90. 00 | ||
| TMS60-19871 | 1.590 | 1.250 | 0.780 | 0.094 | 0.080 | 0.140 | 0.125 | 0.125 | 0.031 | 0.031 | 0.031 | 0.031 | 90. 00 | ||
| TMS60-19873 | 3.510 | 1.250 | 1.125 | 0.120 | 0.071 | 0.180 | 0.090 | 0.090 | 0.016 | 0.016 | 0.016 | 0.016 | 90. 00 | ||
| TMS60-20009 | 3.518 | 1.143 | 1.143 | 0.108 | 0.081 | 0.088 | 0.110 | 0.110 | 0.016 | 0.016 | 0.016 | 0.016 | 90. 00 | ||
| TMS60-20013 | 3.518 | 1.143 | 1.143 | 0.153 | 0.081 | 0.088 | 0.110 | 0.110 | 0.016 | 0.016 | 0.016 | 0.016 | 90. 00 | ||
| TMS60-20019 | 0.360 | 1.730 | 1.400 | 0.080 | 0.180 | 0.080 | 0.060 | 0.060 | 0.016 | 0.016 | 0.016 | 0.016 | 90. 00 | ||
| TMS60-20095 | 1.250 | 1.020 | 0.500 | 0.130 | 0.100 | 0.100 | 0.125 | 0.125 | 0.031 | 0.031 | 0.031 | 0.031 | 90. 00 | ||
| TMS60-20096 | 1.250 | 1.250 | 0.500 | 0.180 | 0.120 | 0.120 | 0.120 | 0.120 | 0.031 | 0.031 | 0.031 | 0.031 | 90. 00 | ||
| TMS60-20097 | 1.250 | 1.250 | 0.500 | 0.130 | 0.100 | 0.100 | 0.125 | 0.125 | 0.031 | 0.031 | 0.031 | 0.031 | 90. 00 | ||
| TMS60-20098 | 1.250 | 1.250 | 0.500 | 0.150 | 0.100 | 0.100 | 0.125 | 0.125 | 0.031 | 0.031 | 0.031 | 0.031 | 90. 00 | ||
| TMS60-20105 | 1.250 | 1.300 | 0.450 | 0.200 | 0.120 | 0.120 | 0.120 | 0.120 | 0.031 | 0.031 | 0.031 | 0.031 | 90. 00 | ||
| TMS60-20106 | 1.250 | 1.250 | 0.500 | 0.160 | 0.100 | 0.100 | 0.125 | 0.125 | 0.031 | 0.031 | 0.031 | 0.031 | 90. 00 | ||
| TMS60-20109 | 1.250 | 1.250 | 0.500 | 0.140 | 0.100 | 0.100 | 0.125 | 0.125 | 0.031 | 0.031 | 0.031 | 0.031 | 90. 00 | ||
| TMS60-20121 | 2.370 | 2.140 | 1.870 | 0.950 | 0.470 | 0.480 | 0.190 | 0.190 | 0.030 | 0.030 | 0.030 | 0.030 | 90. 00 | ||
| TMS60-20132 | 1.656 | 1.000 | 0.875 | 0.091 | 0.084 | 0.125 | 0.125 | 0.125 | 0.031 | 0.031 | 0.031 | 0.031 | 90. 00 | ||
| TMS60-20146 | 1.250 | 1.450 | 0.450 | 0.200 | 0.120 | 0.120 | 0.120 | 0.120 | 0.031 | 0.031 | 0.031 | 0.031 | 90. 00 | ||
| TMS60-20212 | 3.050 | 1.300 | 1.175 | 0.300 | 0.175 | 0.300 | 0.125 | 0.250 | 0.030 | 0.030 | 0.030 | 0.030 | 90. 00 | ||
| TMS60-20366 | 2.560 | 1.450 | 1.250 | 0.200 | 0.120 | 0.610 | 0.120 | 0.120 | 0.031 | 0.031 | 0.031 | 0.031 | 90. 00 | ||
| TMS60-20367 | 1.750 | 1.000 | 0.750 | 0.110 | 0.100 | 0.100 | 0.150 | 0.150 | 0.030 | 0.030 | 0.030 | 0.030 | 90. 00 | ||
| TMS60-20369 | 2.100 | 1.400 | 1.250 | 0.170 | 0.120 | 0.180 | 0.120 | 0.120 | 0.031 | 0.031 | 0.031 | 0.031 | 90. 00 | ||
| TMS60-20423 | 2.560 | 1.450 | 1.250 | 0.270 | 0.120 | 0.610 | 0.120 | 0.120 | 0.031 | 0.031 | 0.031 | 0.031 | 90. 00 | ||
| TMS60-20444 | 0.310 | 3.000 | 1.125 | 0.100 | 0.125 | 0.100 | 0.100 | 0.060 | 0.100 | 0.030 | 0.030 | 0.100 | 90. 00 | ||
| TMS60-20504 | 0.375 | 0.820 | 0.820 | 0.063 | 0.063 | 0.100 | 0.125 | 0.125 | 0.010 | 0.063 | 0.010 | 0.010 | 90. 00 | ||
| TMS60-20598 | 0.750 | 1.750 | 0.620 | 0.140 | 0.120 | 0.090 | 0.094 | 0.094 | 0.016 | 0.016 | 0.016 | 0.016 | 90. 00 | ||
| TMS60-20600 | 1.084 | 1.305 | 0.945 | 0.164 | 0.100 | 0.100 | 0.060 | 0.060 | 0.031 | 0.031 | 0.031 | 0.031 | 90. 00 | ||
| TMS60-20618 | 2.600 | 1.450 | 0.850 | 0.150 | 0.340 | 0.100 | 0.125 | 0.125 | 0.032 | 0.032 | 0.032 | 0.032 | 90. 00 | ||
| TMS60-20619 | 2.600 | 1.450 | 1.100 | 0.210 | 0.390 | 0.100 | 0.125 | 0.125 | 0.032 | 0.032 | 0.032 | 0.032 | 90. 00 | ||
| TMS60-20648 | 0.756 | 1.535 | 0.900 | 0.106 | 0.157 | 0.079 | 0.079 | 0.118 | 0.012 | 0.012 | 0.012 | 0.012 | 90. 00 | ||
| TMS60-20694 | 2.000 | 1.250 | 1.200 | 0.250 | 0.110 | 0.170 | 0.120 | 0.120 | 0.031 | 0.031 | 0.031 | 0.031 | 90. 00 | ||
| TMS60-20827 | 1.200 | 1.000 | 0.500 | 0.080 | 0.070 | 0.100 | 0.090 | 0.090 | 0.040 | 0.040 | 0.040 | 0.040 | 90. 00 | ||
| TMS60-20877 | 0.634 | 2.579 | 0.984 | 0.063 | 0.059 | 0.059 | 0.079 | 0.079 | 0.012 | 0.012 | 0.012 | 0.012 | 90. 00 | ||
| TMS60-20915 | 3.060 | 1.530 | 1.500 | 0.380 | 0.150 | 0.970 | 0.120 | 0.120 | 0.031 | 0.031 | 0.031 | 0.031 | 90. 00 | ||
| TMS60-20956 | 1.900 | 1.500 | 1.350 | 0.800 | 0.180 | 0.180 | 0.120 | 0.250 | 0.030 | 0.030 | 0.030 | 0.030 | 90. 00 | ||
| TMS60-21000 | 1.500 | 1.000 | 0.750 | 0.100 | 0.070 | 0.070 | 0.125 | 0.125 | 0.031 | 0.031 | 0.031 | 0.031 | 90. 00 | ||
| TMS60-21047 | 3.090 | 1.880 | 1.700 | 0.500 | 0.330 | 0.470 | 0.190 | 0.030 | 0.030 | 0.030 | 0.030 | 0.030 | 90. 00 | ||
| TMS60-21182 | 2.500 | 0.900 | 0.900 | 0.140 | 0.090 | 0.120 | 0.125 | 0.125 | 0.031 | 0.031 | 0.031 | 0.031 | 90. 00 | ||
| TMS60-21286 | 1.820 | 0.900 | 0.600 | 0.100 | 0.070 | 0.060 | 0.120 | 0.120 | 0.020 | 0.020 | 0.020 | 0.020 | 90. 00 | ||
| TMS60-21287 | 2.250 | 1.350 | 1.000 | 0.190 | 0.130 | 0.130 | 0.190 | 0.031 | 0.031 | 0.031 | 0.031 | 0.031 | 90. 00 | ||
| TMS60-21289 | 3.000 | 1.350 | 1.350 | 0.250 | 0.156 | 0.250 | 0.188 | 0.188 | 0.060 | 0.125 | 0.060 | 0.060 | 90. 00 | ||
| TMS60-21290 | 2.500 | 1.100 | 1.100 | 0.135 | 0.100 | 0.135 | 0.190 | 0.190 | 0.031 | 0.031 | 0.031 | 0.031 | 90. 00 | ||
| TMS60-21294 | 0.410 | 1.150 | 1.150 | 0.060 | 0.125 | 0.060 | 0.060 | 0.060 | 0.020 | 0.020 | 0.020 | 0.020 | 90. 00 | ||
| TMS60-21373 | 2.500 | 1.210 | 0.750 | 0.320 | 0.100 | 0.100 | 0.120 | 0.120 | 0.031 | 0.031 | 0.031 | 0.031 | 90. 00 | ||
| TMS60-21417 | 2.000 | 1.500 | 1.350 | 0.380 | 0.180 | 0.380 | 0.120 | 0.120 | 0.030 | 0.030 | 0.030 | 0.030 | 90. 00 | ||
| TMS60-2149 | 1.500 | 1.140 | 1.140 | 0.240 | 0.160 | 0.200 | 0.120 | 0.120 | 0.031 | 0.031 | 0.031 | 0.031 | 90. 00 | ||
| TMS60-21609 | 2.750 | 1.350 | 0.820 | 0.504 | 0.120 | 0.150 | 0.125 | 0.125 | 0.016 | 0.016 | 0.016 | 0.016 | 90. 00 | ||
| TMS60-21612 | 0.170 | 1.250 | 1.150 | 0.040 | 0.150 | 0.060 | 0.050 | 0.090 | 0.020 | 0.020 | 0.020 | 0.020 | 90. 00 | ||
| TMS60-21783 | 0.390 | 1.620 | 1.740 | 0.080 | 0.120 | 0.080 | 0.120 | 0.120 | 0.016 | 0.016 | 0.016 | 0.016 | 90. 00 | ||
| TMS60-21788 | 1.350 | 1.350 | 0.550 | 0.162 | 0.056 | 0.100 | 0.125 | 0.125 | 0.016 | 0.016 | 0.016 | 0.016 | 90. 00 | ||
| TMS60-21789 | 2.100 | 1.400 | 1.250 | 0.230 | 0.120 | 0.180 | 0.120 | 0.120 | 0.031 | 0.031 | 0.031 | 0.031 | 90. 00 | ||
| TMS60-21804 | 1.125 | 0.781 | 0.375 | 0.187 | 0.062 | 0.125 | 0.125 | 0.125 | 0.031 | 0.031 | 0.031 | 0.188 | 90. 00 | ||
| TMS60-21851 | 2.500 | 1.000 | 0.700 | 0.100 | 0.090 | 0.140 | 0.125 | 0.125 | 0.031 | 0.031 | 0.031 | 0.031 | 90. 00 | ||
| TMS60-21948 | 1.250 | 0.680 | 0.620 | 0.072 | 0.050 | 0.050 | 0.062 | 0.062 | 0.031 | 0.031 | 0.031 | 0.031 | 90. 00 | ||
| TMS60-22026 | 2.281 | 1.250 | 1.250 | 0.250 | 0.150 | 0.150 | 0.156 | 0.156 | 0.031 | 0.060 | 0.060 | 0.031 | 90. 00 | ||
| TMS60-22046 | 1.940 | 0.880 | 0.850 | 0.060 | 0.100 | 0.100 | 0.120 | 0.120 | 0.010 | 0.010 | 0.010 | 0.010 | 90. 00 | ||
| TMS60-22130 | 2.330 | 1.310 | 1.270 | 0.310 | 0.310 | 1.050 | 0.120 | 0.120 | 0.031 | 0.031 | 0.031 | 0.031 | 90. 00 | ||
| TMS60-22137 | 1.750 | 1.120 | 0.940 | 0.190 | 0.160 | 0.160 | 0.120 | 0.160 | 0.031 | 0.031 | 0.031 | 0.031 | 90. 00 | ||
| TMS60-22166 | 2.000 | 1.500 | 1.000 | 0.250 | 0.180 | 0.250 | 0.180 | 0.100 | 0.016 | 0.016 | 0.016 | 0.016 | 90. 00 | ||
| TMS60-22302 | 2.310 | 1.290 | 1.110 | 0.630 | 0.250 | 0.650 | 0.250 | 0.250 | 0.031 | 0.031 | 0.031 | 0.031 | 90. 00 | ||
| TMS60-22312 | 3.500 | 1.000 | 1.000 | 0.170 | 0.100 | 0.120 | 0.120 | 0.120 | 0.010 | 0.010 | 0.010 | 0.010 | 90. 00 | ||
| TMS60-22329 | 3.388 | 1.100 | 1.100 | 0.100 | 0.080 | 0.100 | 0.125 | 0.125 | 0.031 | 0.031 | 0.031 | 0.031 | 90. 00 | ||
| TMS60-22433 | 1.070 | 1.180 | 1.100 | 0.300 | 0.100 | 0.150 | 0.160 | 0.160 | 0.031 | 0.031 | 0.031 | 0.031 | 90. 00 | ||
| TMS60-22440 | 1.000 | 1.100 | 0.900 | 0.250 | 0.120 | 0.120 | 0.090 | 0.090 | 0.016 | 0.016 | 0.016 | 0.016 | 90. 00 | ||
| TMS60-22441 | 1.250 | 1.100 | 0.500 | 0.110 | 0.110 | 0.160 | 0.125 | 0.125 | 0.016 | 0.016 | 0.016 | 0.016 | 90. 00 | ||
| TMS60-22466 | 1.250 | 1.000 | 0.850 | 0.120 | 0.100 | 0.100 | 0.120 | 0.120 | 0.032 | 0.032 | 0.032 | 0.032 | 90. 00 | ||
| TMS60-22549 | 1.250 | 1.550 | 0.500 | 0.120 | 0.120 | 0.080 | 0.080 | 0.125 | 0.031 | 0.031 | 0.031 | 0.031 | 90. 00 | ||
| TMS60-22550 | 1.000 | 0.670 | 0.500 | 0.054 | 0.050 | 0.050 | 0.060 | 0.060 | 0.016 | 0.016 | 0.016 | 0.016 | 90. 00 | ||
| TMS60-22552 | 0.700 | 0.710 | 0.520 | 0.060 | 0.040 | 0.050 | 0.060 | 0.060 | 0.016 | 0.016 | 0.016 | 0.016 | 90. 00 | ||
| TMS60-22553 | 1.300 | 0.710 | 0.520 | 0.063 | 0.040 | 0.050 | 0.060 | 0.060 | 0.016 | 0.016 | 0.016 | 0.016 | 90. 00 | ||
| TMS60-22591 | 1.500 | 1.300 | 0.750 | 0.125 | 0.100 | 0.100 | 0.100 | 0.100 | 0.030 | 0.030 | 0.030 | 0.030 | 90. 00 | ||
| TMS60-2261 | 2.000 | 1.200 | 1.200 | 0.100 | 0.070 | 0.100 | 0.150 | 0.150 | 0.031 | 0.050 | 0.031 | 0.031 | 90. 00 | ||
| TMS60-22628 | 2.500 | 1.200 | 1.100 | 0.150 | 0.120 | 0.430 | 0.180 | 0.180 | 0.031 | 0.031 | 0.031 | 0.031 | 90. 00 | ||
| TMS60-22767 | 1.125 | 1.000 | 0.600 | 0.125 | 0.090 | 0.090 | 0.125 | 0.125 | 0.031 | 0.031 | 0.031 | 0.031 | 90. 00 | ||
| TMS60-22817 | 2.000 | 1.060 | 0.750 | 0.220 | 0.110 | 0.130 | 0.120 | 0.120 | 0.030 | 0.030 | 0.030 | 0.030 | 90. 00 | ||
| TMS60-22818 | 1.800 | 1.060 | 0.620 | 0.180 | 0.100 | 0.100 | 0.120 | 0.120 | 0.030 | 0.030 | 0.030 | 0.030 | 90. 00 | ||
| TMS60-22850 | 4.630 | 1.500 | 1.500 | 0.250 | 0.250 | 0.322 | 0.250 | 0.250 | 0.010 | 0.130 | 0.010 | 0.010 | 90. 00 | ||
| TMS60-22857 | 2.000 | 1.500 | 1.250 | 0.290 | 0.070 | 0.120 | 0.120 | 0.120 | 0.031 | 0.031 | 0.031 | 0.031 | 90. 00 | ||
| TMS60-22867 | 3.000 | 1.400 | 1.300 | 0.200 | 0.140 | 0.200 | 0.190 | 0.190 | 0.031 | 0.200 | 0.031 | 0.031 | 90. 00 | ||
| TMS60-22868 | 0.310 | 1.730 | 1.400 | 0.080 | 0.180 | 0.080 | 0.060 | 0.060 | 0.016 | 0.016 | 0.016 | 0.016 | 90. 00 | ||
| TMS60-2301 | 1.370 | 0.680 | 0.960 | 0.110 | 0.090 | 0.120 | 0.060 | 0.060 | 0.125 | 0.016 | 0.016 | 0.016 | 90. 00 | ||
| TMS60-23033 | 2.000 | 1.060 | 0.750 | 0.180 | 0.100 | 0.130 | 0.120 | 0.120 | 0.031 | 0.031 | 0.031 | 0.031 | 90. 00 | ||
| TMS60-23043 | 1.250 | 1.310 | 0.800 | 0.330 | 0.060 | 0.090 | 0.125 | 0.125 | 0.188 | 0.030 | 0.030 | 0.030 | 90. 00 | ||
| TMS60-23080 | 1.330 | 1.100 | 0.950 | 0.160 | 0.110 | 0.160 | 0.094 | 0.094 | 0.125 | 0.020 | 0.020 | 0.020 | 90. 00 | ||
| TMS60-23097 | 2.000 | 2.000 | 1.000 | 0.217 | 0.090 | 0.090 | 0.250 | 0.375 | 0.016 | 0.016 | 0.016 | 0.016 | 90. 00 | ||
| TMS60-23140 | 2.560 | 1.480 | 1.100 | 0.820 | 0.200 | 0.250 | 0.160 | 0.160 | 0.032 | 0.032 | 0.032 | 0.032 | 90. 00 | ||
| TMS60-23169 | 1.250 | 1.250 | 0.500 | 0.225 | 0.120 | 0.120 | 0.120 | 0.120 | 0.031 | 0.031 | 0.031 | 0.031 | 90. 00 | ||
| TMS60-23224 | 1.450 | 1.420 | 0.590 | 0.250 | 0.220 | 0.090 | 0.100 | 0.100 | 0.016 | 0.016 | 0.016 | 0.160 | 90. 00 | ||
| TMS60-23242 | 1.187 | 1.000 | 0.875 | 0.090 | 0.090 | 0.156 | 0.125 | 0.125 | 0.062 | 0.045 | 0.045 | 0.062 | 90. 00 | ||
| TMS60-23297 | 4.100 | 1.350 | 0.900 | 0.920 | 0.170 | 0.540 | 0.160 | 0.160 | 0.030 | 0.030 | 0.030 | 0.030 | 90. 00 | ||
| TMS60-23299 | 2.050 | 1.260 | 0.750 | 0.900 | 0.140 | 0.140 | 0.160 | 0.160 | 0.030 | 0.030 | 0.030 | 0.030 | 90. 00 | ||
| TMS60-23300 | 3.800 | 1.400 | 1.200 | 1.150 | 0.140 | 0.210 | 0.160 | 0.160 | 0.030 | 0.030 | 0.030 | 0.030 | 90. 00 | ||
| TMS60-23301 | 3.050 | 1.300 | 1.000 | 1.050 | 0.150 | 0.120 | 0.160 | 0.160 | 0.030 | 0.030 | 0.030 | 0.030 | 90. 00 | ||
| TMS60-23302 | 3.050 | 1.320 | 1.200 | 1.050 | 0.170 | 0.170 | 0.160 | 0.160 | 0.030 | 0.030 | 0.030 | 0.030 | 90. 00 | ||
| TMS60-2334 | 2.250 | 1.250 | 0.900 | 0.130 | 0.090 | 0.090 | 0.130 | 0.130 | 0.030 | 0.030 | 0.030 | 0.030 | 90. 00 | ||
| TMS60-23401 | 1.396 | 1.010 | 0.910 | 0.160 | 0.110 | 0.160 | 0.094 | 0.094 | 0.160 | 0.030 | 0.030 | 0.125 | 90. 00 | ||
| TMS60-23408 | 2.500 | 1.000 | 0.600 | 0.080 | 0.080 | 0.150 | 0.125 | 0.125 | 0.031 | 0.031 | 0.031 | 0.031 | 90. 00 | ||
| TMS60-23418 | 0.900 | 0.620 | 0.300 | 0.040 | 0.040 | 0.070 | 0.050 | 0.050 | 0.030 | 0.020 | 0.016 | 0.016 | 90. 00 | ||
| TMS60-23436 | 1.864 | 0.940 | 0.805 | 0.152 | 0.116 | 0.116 | 0.188 | 0.188 | 0.030 | 0.030 | 0.030 | 0.030 | 90. 00 | ||
| TMS60-23437 | 1.492 | 0.950 | 0.940 | 0.105 | 0.105 | 0.118 | 0.188 | 0.188 | 0.030 | 0.030 | 0.030 | 0.030 | 90. 00 | ||
| TMS60-23439 | 1.824 | 1.312 | 0.802 | 0.152 | 0.134 | 0.134 | 0.188 | 0.188 | 0.030 | 0.030 | 0.030 | 0.030 | 90. 00 | ||
| TMS60-23441 | 1.914 | 1.162 | 0.820 | 0.152 | 0.120 | 0.120 | 0.188 | 0.188 | 0.030 | 0.030 | 0.030 | 0.030 | 90. 00 | ||
| TMS60-23450 | 1.402 | 0.940 | 0.609 | 0.116 | 0.106 | 0.106 | 0.188 | 0.188 | 0.030 | 0.030 | 0.030 | 0.030 | 90. 00 | ||
| TMS60-23451 | 1.674 | 0.940 | 0.880 | 0.140 | 0.121 | 0.121 | 0.188 | 0.188 | 0.030 | 0.030 | 0.030 | 0.030 | 90. 00 | ||
| TMS60-23452 | 1.402 | 0.950 | 0.940 | 0.096 | 0.096 | 0.111 | 0.188 | 0.188 | 0.030 | 0.030 | 0.030 | 0.030 | 90. 00 | ||
| TMS60-23453 | 1.412 | 0.950 | 0.940 | 0.105 | 0.105 | 0.127 | 0.188 | 0.188 | 0.030 | 0.030 | 0.030 | 0.030 | 90. 00 | ||
| TMS60-23454 | 1.578 | 0.940 | 0.850 | 0.140 | 0.116 | 0.116 | 0.188 | 0.188 | 0.030 | 0.030 | 0.030 | 0.030 | 90. 00 | ||
| TMS60-23458 | 1.402 | 1.322 | 1.000 | 0.086 | 0.086 | 0.115 | 0.188 | 0.188 | 0.030 | 0.030 | 0.030 | 0.030 | 90. 00 | ||
| TMS60-23467 | 1.330 | 1.000 | 0.900 | 0.125 | 0.090 | 0.125 | 0.094 | 0.094 | 0.125 | 0.020 | 0.020 | 0.020 | 90. 00 | ||
| TMS60-23500 | 2.000 | 2.100 | 1.220 | 0.360 | 0.165 | 0.250 | 0.125 | 0.125 | 0.030 | 0.030 | 0.030 | 0.030 | 90. 00 | ||
| TMS60-23536 | 1.330 | 1.125 | 1.000 | 0.190 | 0.125 | 0.250 | 0.094 | 0.094 | 0.125 | 0.020 | 0.020 | 0.020 | 90. 00 | ||
| TMS60-23580 | 1.500 | 0.865 | 0.600 | 0.610 | 0.090 | 0.090 | 0.156 | 0.156 | 0.030 | 0.030 | 0.030 | 0.030 | 90. 00 | ||
| TMS60-23581 | 2.000 | 1.060 | 0.900 | 0.640 | 0.100 | 0.110 | 0.156 | 0.156 | 0.030 | 0.030 | 0.030 | 0.030 | 90. 00 | ||
| TMS60-23647 | 2.760 | 2.140 | 1.740 | 0.510 | 0.780 | 0.530 | 0.250 | 0.250 | 0.031 | 0.031 | 0.031 | 0.031 | 90. 00 | ||
| TMS60-23811 | 1.352 | 0.950 | 0.940 | 0.096 | 0.095 | 0.111 | 0.188 | 0.188 | 0.030 | 0.030 | 0.030 | 0.030 | 90. 00 | ||
| TMS60-2383 | 1.062 | 0.875 | 0.250 | 0.125 | 0.062 | 0.062 | 0.031 | 0.031 | 0.031 | 0.031 | 0.015 | 0.015 | 90. 00 | ||
| TMS60-23881 | 2.750 | 1.180 | 0.750 | 0.360 | 0.140 | 0.200 | 0.140 | 0.140 | 0.016 | 0.016 | 0.016 | 0.016 | 90. 00 | ||
| TMS60-23926 | 2.540 | 1.800 | 1.220 | 0.300 | 0.650 | 0.380 | 0.120 | 0.120 | 0.031 | 0.031 | 0.031 | 0.031 | 90. 00 | ||
| TMS60-23949 | 2.330 | 2.250 | 1.310 | 0.500 | 0.500 | 1.050 | 0.120 | 0.120 | 0.031 | 0.031 | 0.031 | 0.031 | 90. 00 | ||
| TMS60-23958 | 1.330 | 0.970 | 0.900 | 0.100 | 0.070 | 0.090 | 0.094 | 0.094 | 0.125 | 0.020 | 0.020 | 0.020 | 90. 00 | ||
| TMS60-23991 | 1.181 | 0.925 | 0.394 | 0.079 | 0.098 | 0.177 | 0.138 | 0.098 | 0.008 | 0.008 | 0.008 | 0.008 | 90. 00 | ||
| TMS60-24010 | 1.130 | 0.760 | 0.400 | 0.060 | 0.048 | 0.048 | 0.078 | 0.078 | 0.016 | 0.016 | 0.016 | 0.016 | 90. 00 | ||
| TMS60-24025 | 1.500 | 1.100 | 0.620 | 0.180 | 0.100 | 0.180 | 0.120 | 0.120 | 0.031 | 0.031 | 0.031 | 0.031 | 90. 00 | ||
| TMS60-24028 | 1.402 | 0.940 | 0.624 | 0.114 | 0.101 | 0.101 | 0.188 | 0.188 | 0.030 | 0.030 | 0.030 | 0.030 | 90. 00 | ||
| TMS60-24073 | 1.250 | 1.400 | 1.250 | 0.094 | 0.094 | 0.094 | 0.120 | 0.120 | 0.031 | 0.031 | 0.031 | 0.031 | 90. 00 | ||
| TMS60-24113 | 1.310 | 0.800 | 0.800 | 0.100 | 0.120 | 0.200 | 0.125 | 0.125 | 0.030 | 0.030 | 0.030 | 0.030 | 90. 00 | ||
| TMS60-24241 | 2.530 | 1.840 | 1.370 | 0.330 | 0.300 | 0.730 | 0.120 | 0.120 | 0.016 | 0.016 | 0.016 | 0.016 | 90. 00 | ||
| TMS60-24279 | 2.500 | 1.280 | 1.000 | 0.760 | 0.160 | 0.160 | 0.140 | 0.140 | 0.030 | 0.030 | 0.030 | 0.030 | 90. 00 | ||
| TMS60-24348 | 1.400 | 0.930 | 0.800 | 0.090 | 0.090 | 0.100 | 0.156 | 0.156 | 0.030 | 0.030 | 0.030 | 0.030 | 90. 00 | ||
| TMS60-24350 | 1.335 | 0.937 | 0.875 | 0.200 | 0.125 | 0.210 | 0.125 | 0.125 | 0.032 | 0.032 | 0.032 | 0.032 | 90. 00 | ||
| TMS60-2436 | 1.750 | 1.000 | 0.900 | 0.180 | 0.100 | 0.125 | 0.120 | 0.120 | 0.030 | 0.030 | 0.030 | 0.030 | 90. 00 | ||
| TMS60-2437 | 1.750 | 1.000 | 0.900 | 0.180 | 0.100 | 0.200 | 0.120 | 0.120 | 0.030 | 0.030 | 0.030 | 0.030 | 90. 00 | ||
| TMS60-24415 | 0.490 | 0.630 | 0.300 | 0.051 | 0.040 | 0.040 | 0.060 | 0.060 | 0.016 | 0.016 | 0.016 | 0.016 | 90. 00 | ||
| TMS60-24506 | 1.330 | 1.125 | 1.000 | 0.180 | 0.125 | 0.180 | 0.094 | 0.094 | 0.125 | 0.020 | 0.020 | 0.020 | 90. 00 | ||
| TMS60-24565 | 3.200 | 1.330 | 1.100 | 0.300 | 0.180 | 0.180 | 0.130 | 0.160 | 0.031 | 0.031 | 0.031 | 0.031 | 90. 00 | ||
| TMS60-24584 | 1.500 | 0.670 | 0.340 | 0.056 | 0.040 | 0.056 | 0.090 | 0.090 | 0.016 | 0.016 | 0.016 | 0.016 | 90. 00 | ||
| TMS60-24592 | 1.250 | 1.300 | 0.500 | 0.120 | 0.080 | 0.080 | 0.125 | 0.125 | 0.031 | 0.031 | 0.031 | 0.031 | 90. 00 | ||
| TMS60-24621 | 1.500 | 1.000 | 0.900 | 0.110 | 0.100 | 0.110 | 0.150 | 0.150 | 0.030 | 0.030 | 0.030 | 0.030 | 90. 00 | ||
| TMS60-24657 | 1.181 | 0.984 | 0.354 | 0.118 | 0.118 | 0.236 | 0.098 | 0.098 | 0.016 | 0.016 | 0.016 | 0.016 | 90. 00 | ||
| TMS60-24683 | 1.330 | 1.160 | 1.000 | 0.280 | 0.160 | 0.160 | 0.094 | 0.094 | 0.125 | 0.020 | 0.020 | 0.020 | 90. 00 | ||
| TMS60-24707 | 4.500 | 1.380 | 1.250 | 0.500 | 0.160 | 0.400 | 0.160 | 0.190 | 0.020 | 0.020 | 0.020 | 0.020 | 90. 00 | ||
| TMS60-24727 | 1.181 | 1.024 | 0.394 | 0.138 | 0.138 | 0.236 | 0.098 | 0.098 | 0.016 | 0.016 | 0.016 | 0.016 | 90. 00 | ||
| TMS60-24817 | 1.330 | 1.070 | 0.900 | 0.300 | 0.070 | 0.080 | 0.094 | 0.094 | 0.031 | 0.031 | 0.031 | 0.031 | 90. 00 | ||
| TMS60-24859 | 1.530 | 0.980 | 0.970 | 0.135 | 0.110 | 0.453 | 0.188 | 0.188 | 0.030 | 0.030 | 0.030 | 0.030 | 90. 00 | ||
| TMS60-24883 | 1.181 | 1.378 | 0.354 | 0.157 | 0.157 | 0.236 | 0.098 | 0.098 | 0.016 | 0.016 | 0.016 | 0.016 | 90. 00 | ||
| TMS60-24944 | 2.760 | 2.370 | 1.800 | 0.590 | 1.010 | 0.580 | 0.250 | 0.250 | 0.031 | 0.031 | 0.031 | 0.031 | 90. 00 | ||
| TMS60-24966 | 2.400 | 1.010 | 1.000 | 0.120 | 0.110 | 0.120 | 0.150 | 0.150 | 0.030 | 0.030 | 0.030 | 0.030 | 90. 00 | ||
| TMS60-25011 | 1.575 | 1.063 | 0.472 | 0.157 | 0.157 | 0.315 | 0.157 | 0.157 | 0.016 | 0.016 | 0.016 | 0.016 | 90. 00 | ||
| TMS60-25028 | 1.181 | 1.142 | 0.354 | 0.118 | 0.118 | 0.236 | 0.098 | 0.098 | 0.016 | 0.016 | 0.016 | 0.016 | 90. 00 | ||
| TMS60-25071 | 2.400 | 1.630 | 1.630 | 0.100 | 0.080 | 0.100 | 0.125 | 0.125 | 0.016 | 0.016 | 0.016 | 0.016 | 90. 00 | ||
| TMS60-25080 | 1.181 | 0.965 | 0.394 | 0.098 | 0.098 | 0.157 | 0.098 | 0.098 | 0.016 | 0.016 | 0.016 | 0.016 | 90. 00 | ||
| TMS60-25124 | 2.750 | 0.862 | 0.714 | 0.321 | 0.121 | 0.321 | 0.121 | 0.121 | 0.016 | 0.016 | 0.016 | 0.016 | 90. 00 | ||
| TMS60-25147 | 1.472 | 1.100 | 0.640 | 0.197 | 0.180 | 0.180 | 0.188 | 0.030 | 0.030 | 0.030 | 0.030 | 0.030 | 90. 00 | ||
| TMS60-25215 | 1.500 | 1.100 | 1.000 | 0.250 | 0.156 | 0.300 | 0.094 | 0.125 | 0.020 | 0.020 | 0.020 | 0.020 | 90. 00 | ||
| TMS60-25284 | 1.330 | 1.125 | 0.950 | 0.190 | 0.125 | 0.160 | 0.094 | 0.094 | 0.125 | 0.020 | 0.020 | 0.020 | 90. 00 | ||
| TMS60-25333 | 0.900 | 0.620 | 0.350 | 0.060 | 0.060 | 0.165 | 0.100 | 0.050 | 0.030 | 0.020 | 0.016 | 0.016 | 90. 00 | ||
| TMS60-25334 | 0.900 | 0.620 | 0.300 | 0.063 | 0.063 | 0.070 | 0.050 | 0.050 | 0.015 | 0.015 | 0.015 | 0.015 | 90. 00 | ||
| TMS60-25546 | 1.330 | 1.000 | 0.900 | 0.300 | 0.070 | 0.080 | 0.094 | 0.094 | 0.125 | 0.031 | 0.031 | 0.031 | 90. 00 | ||
| TMS60-25583 | 0.800 | 0.710 | 0.520 | 0.060 | 0.040 | 0.050 | 0.060 | 0.060 | 0.016 | 0.016 | 0.016 | 0.016 | 90. 00 | ||
| TMS60-25595 | 1.000 | 1.250 | 1.000 | 0.120 | 0.070 | 0.080 | 0.125 | 0.125 | 0.031 | 0.031 | 0.031 | 0.031 | 90. 00 | ||
| TMS60-25654 | 2.362 | 1.496 | 0.787 | 0.126 | 0.098 | 0.079 | 0.118 | 0.118 | 0.016 | 0.016 | 0.016 | 0.016 | 90. 00 | ||
| TMS60-25722 | 1.174 | 1.910 | 1.644 | 0.174 | 0.174 | 0.114 | 0.060 | 0.060 | 0.015 | 0.015 | 0.015 | 0.015 | 90. 00 | ||
| TMS60-25726 | 2.000 | 1.000 | 1.000 | 0.150 | 0.125 | 0.150 | 0.125 | 0.125 | 0.030 | 0.030 | 0.030 | 0.030 | 90. 00 | ||
| TMS60-25754 | 3.950 | 2.000 | 1.900 | 0.250 | 0.250 | 0.310 | 0.190 | 0.190 | 0.032 | 0.032 | 0.032 | 0.032 | 90. 00 | ||
| TMS60-25834 | 1.330 | 0.980 | 0.900 | 0.100 | 0.080 | 0.110 | 0.094 | 0.094 | 0.125 | 0.020 | 0.020 | 0.020 | 90. 00 | ||
| TMS60-25839 | 2.560 | 1.590 | 0.750 | 0.770 | 0.100 | 0.100 | 0.120 | 0.120 | 0.031 | 0.031 | 0.031 | 0.031 | 90. 00 | ||
| TMS60-25942 | 1.024 | 0.886 | 0.591 | 0.118 | 0.098 | 0.177 | 0.098 | 0.098 | 0.016 | 0.016 | 0.016 | 0.016 | 90. 00 | ||
| TMS60-25986 | 3.000 | 1.800 | 1.200 | 0.160 | 0.140 | 0.160 | 0.130 | 0.130 | 0.031 | 0.031 | 0.031 | 0.031 | 90. 00 | ||
| TMS60-26059 | 0.750 | 0.620 | 0.300 | 0.070 | 0.070 | 0.090 | 0.050 | 0.050 | 0.030 | 0.020 | 0.016 | 0.016 | 90. 00 | ||
| TMS60-26082 | 1.710 | 0.830 | 0.730 | 0.080 | 0.080 | 0.140 | 0.090 | 0.016 | 0.016 | 0.016 | 0.016 | 0.016 | 90. 00 | ||
| TMS60-26149 | 0.200 | 2.150 | 1.805 | 0.100 | 0.275 | 0.100 | 0.130 | 0.130 | 0.031 | 0.031 | 0.031 | 0.031 | 90. 00 | ||
| TMS60-26248 | 1.496 | 1.102 | 0.393 | 0.177 | 0.177 | 0.276 | 0.177 | 0.177 | 0.016 | 0.016 | 0.016 | 0.016 | 90. 00 | ||
| TMS60-26324 | 1.181 | 0.984 | 0.335 | 0.118 | 0.118 | 0.236 | 0.098 | 0.098 | 0.016 | 0.016 | 0.016 | 0.016 | 90. 00 | ||
| TMS60-26338 | 2.680 | 1.560 | 1.470 | 0.290 | 0.520 | 0.400 | 0.150 | 0.032 | 0.032 | 0.032 | 0.032 | 0.032 | 90. 00 | ||
| TMS60-26443 | 0.283 | 0.940 | 0.910 | 0.050 | 0.110 | 0.038 | 0.062 | 0.094 | 0.016 | 0.016 | 0.016 | 0.016 | 90. 00 | ||
| TMS60-26535 | 1.250 | 1.250 | 1.000 | 0.250 | 0.190 | 0.250 | 0.190 | 0.120 | 0.010 | 0.125 | 0.010 | 0.010 | 90. 00 | ||
| TMS60-26665 | 1.500 | 0.938 | 0.750 | 0.125 | 0.094 | 0.156 | 0.125 | 0.090 | 0.031 | 0.031 | 0.060 | 0.060 | 90. 00 | ||
| TMS60-26723 | 0.430 | 1.190 | 1.000 | 0.075 | 0.060 | 0.040 | 0.030 | 0.120 | 0.016 | 0.016 | 0.016 | 0.016 | 90. 00 | ||
| TMS60-26763 | 2.500 | 1.530 | 1.420 | 0.260 | 0.150 | 0.510 | 0.120 | 0.120 | 0.031 | 0.031 | 0.031 | 0.031 | 90. 00 | ||
| TMS60-26766 | 2.600 | 1.400 | 1.250 | 0.700 | 0.130 | 0.160 | 0.120 | 0.250 | 0.031 | 0.031 | 0.031 | 0.031 | 90. 00 | ||
| TMS60-26858 | 1.630 | 1.100 | 1.000 | 0.430 | 0.100 | 0.100 | 0.120 | 0.120 | 0.016 | 0.016 | 0.016 | 0.016 | 90. 00 | ||
| TMS60-26870 | 2.350 | 1.250 | 1.250 | 0.250 | 0.150 | 0.150 | 0.156 | 0.156 | 0.031 | 0.060 | 0.031 | 0.031 | 90. 00 | ||
| TMS60-26879 | 2.000 | 1.050 | 0.750 | 0.180 | 0.100 | 0.100 | 0.120 | 0.120 | 0.032 | 0.032 | 0.032 | 0.032 | 90. 00 | ||
| TMS60-26931 | 2.000 | 1.630 | 1.560 | 0.150 | 0.150 | 0.600 | 0.160 | 0.160 | 0.031 | 0.031 | 0.031 | 0.031 | 90. 00 | ||
| TMS60-2708 | 1.250 | 0.750 | 0.750 | 0.078 | 0.078 | 0.125 | 0.125 | 0.125 | 0.016 | 0.078 | 0.016 | 0.016 | 90. 00 | ||
| TMS60-27115 | 3.500 | 1.300 | 1.200 | 0.180 | 0.130 | 0.180 | 0.160 | 0.160 | 0.031 | 0.031 | 0.031 | 0.031 | 90. 00 | ||
| TMS60-27122 | 2.120 | 2.180 | 1.620 | 0.640 | 0.780 | 0.450 | 0.250 | 0.250 | 0.060 | 0.060 | 0.060 | 0.060 | 90. 00 | ||
| TMS60-27137 | 3.200 | 1.320 | 0.800 | 0.190 | 0.170 | 0.100 | 0.120 | 0.120 | 0.031 | 0.031 | 0.031 | 0.031 | 90. 00 | ||
| TMS60-27165 | 1.500 | 1.000 | 1.000 | 0.100 | 0.100 | 0.125 | 0.125 | 0.125 | 0.010 | 0.094 | 0.010 | 0.010 | 90. 00 | ||
| TMS60-27224 | 1.500 | 0.900 | 0.900 | 0.070 | 0.070 | 0.070 | 0.120 | 0.120 | 0.016 | 0.016 | 0.016 | 0.016 | 90. 00 | ||
| TMS60-27240 | 1.500 | 1.300 | 0.620 | 0.390 | 0.100 | 0.180 | 0.120 | 0.120 | 0.031 | 0.031 | 0.031 | 0.031 | 90. 00 | ||
| TMS60-27305 | 3.750 | 3.000 | 2.625 | 0.220 | 0.170 | 0.220 | 0.250 | 0.250 | 0.375 | 0.020 | 0.020 | 0.375 | 90. 00 | ||
| TMS60-27307 | 2.570 | 1.140 | 0.960 | 0.063 | 0.090 | 0.100 | 0.188 | 0.188 | 0.020 | 0.020 | 0.020 | 0.020 | 90. 00 | ||
| TMS60-27390 | 1.420 | 1.030 | 0.950 | 0.160 | 0.080 | 0.125 | 0.094 | 0.094 | 0.125 | 0.020 | 0.020 | 0.125 | 90. 00 | ||
| TMS60-27418 | 0.374 | 1.120 | 1.110 | 0.060 | 0.048 | 0.048 | 0.060 | 0.060 | 0.016 | 0.016 | 0.016 | 0.016 | 90. 00 | ||
| TMS60-27592 | 2.480 | 1.680 | 1.430 | 0.480 | 0.520 | 0.480 | 0.150 | 0.150 | 0.032 | 0.032 | 0.032 | 0.032 | 90. 00 | ||
| TMS60-27602 | 1.500 | 1.250 | 0.500 | 0.220 | 0.100 | 0.100 | 0.120 | 0.120 | 0.031 | 0.031 | 0.031 | 0.031 | 90. 00 | ||
| TMS60-27604 | 1.250 | 1.250 | 0.500 | 0.260 | 0.120 | 0.120 | 0.120 | 0.120 | 0.016 | 0.016 | 0.016 | 0.016 | 90. 00 | ||
| TMS60-27617 | 1.330 | 1.080 | 1.000 | 0.140 | 0.080 | 0.140 | 0.094 | 0.094 | 0.020 | 0.020 | 0.020 | 0.020 | 90. 00 | ||
| TMS60-27640 | 2.900 | 2.150 | 2.000 | 1.000 | 0.800 | 0.900 | 0.250 | 0.250 | 0.031 | 0.031 | 0.031 | 0.031 | 90. 00 | ||
| TMS60-27667 | 2.750 | 1.300 | 1.150 | 0.270 | 0.100 | 0.310 | 0.120 | 0.120 | 0.031 | 0.031 | 0.031 | 0.031 | 90. 00 | ||
| TMS60-27668 | 2.750 | 1.250 | 1.150 | 0.250 | 0.100 | 0.270 | 0.120 | 0.120 | 0.031 | 0.031 | 0.031 | 0.031 | 90. 00 | ||
| TMS60-27751 | 6.000 | 2.140 | 2.040 | 0.180 | 0.125 | 0.180 | 0.190 | 0.190 | 0.120 | 0.120 | 0.016 | 0.120 | 90. 00 | ||
| TMS60-27757 | 0.380 | 1.000 | 1.000 | 0.080 | 0.060 | 0.060 | 0.062 | 0.062 | 0.031 | 0.031 | 0.031 | 0.031 | 90. 00 | ||
| TMS60-27778 | 2.200 | 1.060 | 1.000 | 0.120 | 0.100 | 0.140 | 0.150 | 0.150 | 0.030 | 0.030 | 0.030 | 0.030 | 90. 00 | ||
| TMS60-2779 | 3.600 | 1.250 | 1.250 | 0.300 | 0.160 | 0.300 | 0.125 | 0.125 | 0.016 | 0.016 | 0.016 | 0.016 | 90. 00 | ||
| TMS60-27819 | 1.350 | 0.980 | 0.900 | 0.100 | 0.080 | 0.110 | 0.094 | 0.094 | 0.125 | 0.020 | 0.020 | 0.125 | 90. 00 | ||
| TMS60-27904 | 2.150 | 1.060 | 0.400 | 0.125 | 0.100 | 0.550 | 0.094 | 0.156 | 0.030 | 0.030 | 0.030 | 0.030 | 90. 00 | ||
| TMS60-27949 | 1.360 | 1.100 | 0.960 | 0.350 | 0.100 | 0.100 | 0.120 | 0.090 | 0.220 | 0.031 | 0.031 | 0.031 | 90. 00 | ||
| TMS60-27982 | 0.625 | 1.000 | 0.490 | 0.100 | 0.100 | 0.125 | 0.030 | 0.125 | 0.020 | 0.020 | 0.020 | 0.020 | 90. 00 | ||
| TMS60-28020 | 3.000 | 1.250 | 1.000 | 0.400 | 0.190 | 0.190 | 0.125 | 0.125 | 0.030 | 0.030 | 0.030 | 0.030 | 90. 00 | ||
| TMS60-28089 | 2.000 | 1.500 | 1.000 | 0.320 | 0.100 | 0.200 | 0.160 | 0.160 | 0.031 | 0.031 | 0.031 | 0.031 | 90. 00 | ||
| TMS60-28103 | 1.250 | 1.000 | 0.500 | 0.180 | 0.080 | 0.080 | 0.120 | 0.120 | 0.031 | 0.031 | 0.031 | 0.031 | 90. 00 | ||
| TMS60-28130 | 3.238 | 5.200 | 2.203 | 0.880 | 0.700 | 0.750 | 0.500 | 0.700 | 0.032 | 0.032 | 0.032 | 0.700 | 90. 00 | ||
| TMS60-28196 | 2.000 | 1.000 | 0.800 | 0.078 | 0.070 | 0.110 | 0.125 | 0.125 | 0.031 | 0.031 | 0.031 | 0.031 | 90. 00 | ||
| TMS60-28199 | 1.500 | 1.100 | 0.500 | 0.160 | 0.062 | 0.062 | 0.120 | 0.120 | 0.031 | 0.031 | 0.031 | 0.031 | 90. 00 | ||
| TMS60-28200 | 2.500 | 1.050 | 0.750 | 0.200 | 0.100 | 0.100 | 0.120 | 0.120 | 0.031 | 0.031 | 0.031 | 0.031 | 90. 00 | ||
| TMS60-2825 | 2.250 | 1.250 | 1.000 | 0.230 | 0.100 | 0.090 | 0.120 | 0.180 | 0.030 | 0.030 | 0.030 | 0.030 | 90. 00 | ||
| TMS60-28290 | 1.384 | 1.000 | 0.300 | 0.344 | 0.100 | 0.100 | 0.094 | 0.094 | 0.016 | 0.016 | 0.016 | 0.244 | 90. 00 | ||
| TMS60-28374 | 2.410 | 1.350 | 1.350 | 0.300 | 0.250 | 0.250 | 0.140 | 0.140 | 0.030 | 0.030 | 0.030 | 0.030 | 90. 00 | ||
| TMS60-28409 | 1.220 | 0.866 | 0.709 | 0.098 | 0.059 | 0.098 | 0.098 | 0.098 | 0.016 | 0.016 | 0.016 | 0.016 | 90. 00 | ||
| TMS60-28419 | 2.750 | 2.000 | 0.700 | 0.200 | 0.120 | 0.120 | 0.190 | 0.190 | 0.016 | 0.016 | 0.016 | 0.016 | 90. 00 | ||
| TMS60-28444 | 1.402 | 0.942 | 0.730 | 0.145 | 0.128 | 0.128 | 0.188 | 0.188 | 0.030 | 0.030 | 0.030 | 0.030 | 90. 00 | ||
| TMS60-28449 | 1.024 | 0.787 | 0.590 | 0.079 | 0.098 | 0.138 | 0.098 | 0.098 | 0.016 | 0.016 | 0.016 | 0.016 | 90. 00 | ||
| TMS60-28450 | 0.945 | 0.866 | 0.512 | 0.063 | 0.063 | 0.091 | 0.118 | 0.118 | 0.016 | 0.016 | 0.016 | 0.016 | 90. 00 | ||
| TMS60-2856 | 1.200 | 1.700 | 1.100 | 0.250 | 0.100 | 0.150 | 0.160 | 0.130 | 0.031 | 0.031 | 0.031 | 0.031 | 90. 00 | ||
| TMS60-28572 | 1.500 | 1.115 | 0.865 | 0.140 | 0.120 | 0.110 | 0.120 | 0.120 | 0.020 | 0.020 | 0.020 | 0.020 | 90. 00 | ||
| TMS60-2867 | 1.150 | 1.150 | 1.100 | 0.150 | 0.100 | 0.150 | 0.160 | 0.160 | 0.031 | 0.031 | 0.031 | 0.031 | 90. 00 | ||
| TMS60-28798 | 1.410 | 1.070 | 0.990 | 0.200 | 0.120 | 0.200 | 0.094 | 0.094 | 0.125 | 0.030 | 0.030 | 0.030 | 90. 00 | ||
| TMS60-28800 | 2.250 | 1.300 | 0.900 | 0.200 | 0.140 | 0.200 | 0.190 | 0.190 | 0.031 | 0.060 | 0.031 | 0.031 | 90. 00 | ||
| TMS60-2891 | 3.000 | 1.300 | 1.000 | 0.270 | 0.150 | 0.120 | 0.150 | 0.180 | 0.030 | 0.030 | 0.030 | 0.030 | 90. 00 | ||
| TMS60-2892 | 3.200 | 1.300 | 1.000 | 0.300 | 0.150 | 0.150 | 0.150 | 0.180 | 0.030 | 0.030 | 0.030 | 0.030 | 90. 00 | ||
| TMS60-28927 | 1.980 | 1.640 | 1.400 | 0.580 | 0.460 | 0.600 | 0.190 | 0.190 | 0.060 | 0.060 | 0.060 | 0.060 | 90. 00 | ||
| TMS60-28933 | 1.500 | 1.100 | 0.500 | 0.180 | 0.062 | 0.062 | 0.120 | 0.120 | 0.031 | 0.031 | 0.031 | 0.031 | 90. 00 | ||
| TMS60-28965 | 2.400 | 1.440 | 0.500 | 0.260 | 0.130 | 0.130 | 0.140 | 0.160 | 0.031 | 0.031 | 0.031 | 0.031 | 90. 00 | ||
| TMS60-29008 | 3.220 | 2.780 | 2.740 | 0.540 | 0.580 | 0.970 | 0.190 | 0.190 | 0.060 | 0.060 | 0.060 | 0.060 | 90. 00 | ||
| TMS60-29014 | 1.650 | 1.280 | 0.500 | 0.235 | 0.100 | 0.125 | 0.120 | 0.120 | 0.031 | 0.031 | 0.031 | 0.031 | 90. 00 | ||
| TMS60-29015 | 2.050 | 1.300 | 1.260 | 0.230 | 0.120 | 0.300 | 0.120 | 0.120 | 0.031 | 0.031 | 0.031 | 0.031 | 90. 00 | ||
| TMS60-29016 | 4.100 | 1.650 | 0.800 | 0.210 | 0.120 | 0.100 | 0.120 | 0.120 | 0.031 | 0.031 | 0.031 | 0.031 | 90. 00 | ||
| TMS60-29031 | 2.250 | 1.500 | 0.875 | 0.250 | 0.150 | 0.150 | 0.120 | 0.120 | 0.062 | 0.062 | 0.062 | 0.062 | 90. 00 | ||
| TMS60-29032 | 2.150 | 1.500 | 0.650 | 0.250 | 0.120 | 0.120 | 0.120 | 0.120 | 0.062 | 0.062 | 0.062 | 0.062 | 90. 00 | ||
| TMS60-29045 | 1.500 | 1.000 | 0.500 | 0.160 | 0.062 | 0.062 | 0.120 | 0.120 | 0.031 | 0.031 | 0.031 | 0.031 | 90. 00 | ||
| TMS60-29046 | 1.500 | 1.000 | 0.500 | 0.180 | 0.062 | 0.062 | 0.120 | 0.120 | 0.031 | 0.031 | 0.031 | 0.031 | 90. 00 | ||
| TMS60-29047 | 1.250 | 1.000 | 0.500 | 0.160 | 0.080 | 0.100 | 0.120 | 0.120 | 0.031 | 0.031 | 0.031 | 0.031 | 90. 00 | ||
| TMS60-29048 | 2.000 | 1.370 | 1.000 | 0.320 | 0.100 | 0.200 | 0.160 | 0.160 | 0.031 | 0.031 | 0.031 | 0.031 | 90. 00 | ||
| TMS60-29049 | 2.750 | 1.490 | 1.100 | 0.270 | 0.120 | 0.120 | 0.190 | 0.190 | 0.031 | 0.031 | 0.031 | 0.031 | 90. 00 | ||
| TMS60-2918 | 1.230 | 1.620 | 1.120 | 0.450 | 0.120 | 0.120 | 0.090 | 0.160 | 0.031 | 0.031 | 0.031 | 0.031 | 90. 00 | ||
| TMS60-29239 | 2.700 | 1.050 | 0.400 | 0.175 | 0.100 | 0.100 | 0.120 | 0.120 | 0.031 | 0.031 | 0.031 | 0.031 | 90. 00 | ||
| TMS60-29325 | 3.000 | 1.350 | 1.000 | 0.360 | 0.200 | 0.120 | 0.180 | 0.150 | 0.031 | 0.031 | 0.031 | 0.031 | 90. 00 | ||
| TMS60-29326 | 4.000 | 1.500 | 1.000 | 0.200 | 0.140 | 0.200 | 0.190 | 0.190 | 0.016 | 0.016 | 0.016 | 0.016 | 90. 00 | ||
| TMS60-29384 | 2.750 | 1.600 | 1.100 | 0.180 | 0.120 | 0.120 | 0.190 | 0.190 | 0.016 | 0.016 | 0.016 | 0.016 | 90. 00 | ||
| TMS60-29405 | 0.622 | 1.000 | 0.748 | 0.079 | 0.079 | 0.079 | 0.126 | 0.126 | 0.020 | 0.020 | 0.020 | 0.020 | 90. 00 | ||
| TMS60-29415 | 3.740 | 2.250 | 1.410 | 1.160 | 0.530 | 0.390 | 0.250 | 0.250 | 0.062 | 0.062 | 0.062 | 0.062 | 90. 00 | ||
| TMS60-29416 | 1.750 | 1.250 | 0.600 | 0.200 | 0.100 | 0.125 | 0.125 | 0.125 | 0.016 | 0.016 | 0.016 | 0.016 | 90. 00 | ||
| TMS60-29417 | 2.000 | 2.000 | 0.600 | 0.200 | 0.100 | 0.140 | 0.125 | 0.125 | 0.016 | 0.016 | 0.016 | 0.016 | 90. 00 | ||
| TMS60-29442 | 3.000 | 2.000 | 1.200 | 0.700 | 0.230 | 0.150 | 0.160 | 0.160 | 0.031 | 0.031 | 0.031 | 0.031 | 90. 00 | ||
| TMS60-29458 | 3.460 | 3.760 | 2.160 | 1.060 | 0.860 | 1.060 | 0.250 | 0.250 | 0.060 | 0.060 | 0.060 | 0.060 | 90. 00 | ||
| TMS60-29558 | 2.000 | 1.500 | 0.600 | 0.200 | 0.100 | 0.125 | 0.125 | 0.125 | 0.016 | 0.016 | 0.016 | 0.016 | 90. 00 | ||
| TMS60-29571 | 1.772 | 1.142 | 0.590 | 0.217 | 0.157 | 0.236 | 0.197 | 0.197 | 0.016 | 0.016 | 0.016 | 0.016 | 90. 00 | ||
| TMS60-29602 | 2.380 | 1.930 | 1.710 | 0.280 | 0.290 | 1.110 | 0.120 | 0.120 | 0.031 | 0.031 | 0.031 | 0.031 | 90. 00 | ||
| TMS60-29614 | 2.500 | 1.150 | 1.150 | 0.180 | 0.080 | 0.180 | 0.120 | 0.120 | 0.031 | 0.031 | 0.031 | 0.031 | 90. 00 | ||
| TMS60-29616 | 1.250 | 1.250 | 0.500 | 0.160 | 0.080 | 0.100 | 0.120 | 0.120 | 0.031 | 0.031 | 0.031 | 0.031 | 90. 00 | ||
| TMS60-29664 | 4.724 | 1.575 | 1.575 | 0.098 | 0.079 | 0.098 | 0.118 | 0.118 | 0.016 | 0.016 | 0.016 | 0.016 | |||
| TMS60-29665 | 2.250 | 1.100 | 0.800 | 0.240 | 0.140 | 0.060 | 0.190 | 0.190 | 0.031 | 0.031 | 0.031 | 0.031 | |||
| TMS60-29668 | 1.750 | 1.260 | 0.700 | 0.110 | 0.080 | 0.080 | 0.125 | 0.125 | 0.031 | 0.031 | 0.031 | 0.031 | |||
| TMS60-29722 | 1.750 | 1.150 | 0.950 | 0.080 | 0.050 | 0.080 | 0.125 | 0.125 | 0.032 | 0.080 | 0.032 | 0.032 | |||
| TMS60-29723 | 1.350 | 1.200 | 0.960 | 0.500 | 0.100 | 0.100 | 0.120 | 0.090 | 0.220 | 0.031 | 0.031 | 0.031 | |||
| TMS60-29757 | 3.600 | 1.400 | 1.000 | 0.200 | 0.120 | 0.160 | 0.190 | 0.190 | 0.016 | 0.016 | 0.016 | 0.016 | |||
| TMS60-29781 | 2.200 | 1.300 | 0.500 | 0.820 | 0.100 | 0.100 | 0.160 | 0.160 | 0.031 | 0.031 | 0.031 | 0.031 | |||
| TMS60-29782 | 1.750 | 1.630 | 1.560 | 0.150 | 0.600 | 0.150 | 0.160 | 0.160 | 0.031 | 0.031 | 0.031 | 0.031 | |||
| TMS60-29783 | 3.000 | 1.510 | 1.300 | 0.230 | 0.150 | 0.180 | 0.160 | 0.160 | 0.031 | 0.031 | 0.031 | 0.031 | |||
| TMS60-29786 | 3.000 | 2.000 | 1.300 | 0.230 | 0.150 | 0.260 | 0.160 | 0.160 | 0.031 | 0.031 | 0.031 | 0.031 | |||
| TMS60-29789 | 1.950 | 1.400 | 1.000 | 0.930 | 0.300 | 0.330 | 0.160 | 0.160 | 0.062 | 0.062 | 0.062 | 0.062 | 90. 00 | ||
| TMS60-29819 | 4.500 | 2.000 | 0.900 | 0.390 | 0.255 | 0.200 | 0.120 | 0.120 | 0.031 | 0.031 | 0.031 | 0.031 | 90. 00 | ||
| TMS60-2984 | 1.000 | 1.062 | 1.000 | 0.062 | 0.125 | 0.125 | 0.094 | 0.094 | 0.031 | 0.031 | 0.031 | 0.031 | 90. 00 | ||
| TMS60-30472 | 4.200 | 1.890 | 0.900 | 0.375 | 0.270 | 0.370 | 0.120 | 0.250 | 0.031 | 0.031 | 0.031 | 0.031 | 90. 00 | ||
| TMS60-30473 | 4.550 | 1.910 | 0.900 | 0.390 | 0.255 | 0.210 | 0.120 | 0.120 | 0.031 | 0.031 | 0.031 | 0.031 | 90. 00 | ||
| TMS60-30642 | 2.200 | 1.275 | 1.200 | 0.275 | 0.275 | 0.360 | 0.120 | 0.120 | 0.030 | 0.030 | 0.030 | 0.030 | 90. 00 | ||
| TMS60-30757 | 2.411 | 1.250 | 1.250 | 0.300 | 0.200 | 0.200 | 0.140 | 0.140 | 0.030 | 0.030 | 0.030 | 0.030 | 90. 00 | ||
| TMS60-30815 | 0.900 | 0.950 | 0.250 | 0.070 | 0.070 | 0.100 | 0.060 | 0.060 | 0.016 | 0.016 | 0.016 | 0.016 | 90. 00 | ||
| TMS60-30929 | 3.000 | 1.270 | 0.800 | 0.100 | 0.120 | 0.195 | 0.120 | 0.120 | 0.031 | 0.031 | 0.031 | 0.031 | 90. 00 | ||
| TMS60-30946 | 2.000 | 1.000 | 0.500 | 0.094 | 0.080 | 0.080 | 0.090 | 0.090 | 0.016 | 0.016 | 0.016 | 0.016 | 90. 00 | ||
| TMS60-30947 | 3.200 | 1.660 | 0.800 | 0.210 | 0.120 | 0.100 | 0.120 | 0.120 | 0.031 | 0.031 | 0.031 | 0.031 | 90. 00 | ||
| TMS60-31062 | 2.750 | 2.700 | 1.300 | 0.180 | 0.120 | 0.180 | 0.130 | 0.130 | 0.031 | 0.031 | 0.031 | 0.031 | 90. 00 | ||
| TMS60-31086 | 1.999 | 1.160 | 0.880 | 0.125 | 0.125 | 0.195 | 0.125 | 0.125 | 0.016 | 0.016 | 0.016 | 0.016 | 90. 00 | ||
| TMS60-31152 | 2.700 | 4.070 | 1.660 | 0.430 | 0.800 | 0.420 | 0.250 | 0.250 | 0.063 | 0.063 | 0.063 | 0.063 | 90. 00 | ||
| TMS60-31266 | 2.000 | 1.000 | 0.470 | 0.081 | 0.060 | 0.060 | 0.090 | 0.090 | 0.025 | 0.025 | 0.025 | 0.025 | 90. 00 | ||
| TMS60-31296 | 1.500 | 1.250 | 1.120 | 0.160 | 0.120 | 0.120 | 0.120 | 0.120 | 0.031 | 0.031 | 0.031 | 0.031 | 90. 00 | ||
| TMS60-31312 | 1.100 | 1.000 | 0.400 | 0.090 | 0.080 | 0.080 | 0.125 | 0.125 | 0.020 | 0.020 | 0.020 | 0.020 | 90. 00 | ||
| TMS60-31314 | 2.600 | 1.235 | 1.200 | 0.250 | 0.220 | 0.350 | 0.190 | 0.190 | 0.031 | 0.031 | 0.031 | 0.031 | 90. 00 | ||
| TMS60-31315 | 2.000 | 1.100 | 0.900 | 0.170 | 0.100 | 0.100 | 0.125 | 0.125 | 0.031 | 0.031 | 0.031 | 0.031 | 90. 00 | ||
| TMS60-31318 | 1.250 | 1.000 | 0.990 | 0.080 | 0.080 | 0.094 | 0.125 | 0.125 | 0.016 | 0.016 | 0.016 | 0.016 | 90. 00 | ||
| TMS60-31325 | 1.200 | 1.050 | 0.900 | 0.150 | 0.200 | 0.200 | 0.120 | 0.120 | 0.031 | 0.031 | 0.031 | 0.031 | 90. 00 | ||
| TMS60-31357 | 1.750 | 1.250 | 0.665 | 0.080 | 0.125 | 0.070 | 0.125 | 0.125 | 0.030 | 0.030 | 0.030 | 0.030 | 90. 00 | ||
| TMS60-31472 | 1.000 | 0.875 | 0.500 | 0.120 | 0.070 | 0.080 | 0.120 | 0.120 | 0.031 | 0.031 | 0.031 | 0.031 | 90. 00 | ||
| TMS60-31506 | 1.250 | 1.250 | 1.250 | 0.150 | 0.080 | 0.080 | 0.090 | 0.090 | 0.030 | 0.030 | 0.030 | 0.030 | 90. 00 | ||
| TMS60-3160 | 1.650 | 1.250 | 0.500 | 0.350 | 0.090 | 0.090 | 0.125 | 0.125 | 0.016 | 0.016 | 0.016 | 0.016 | 90. 00 | ||
| TMS60-31665 | 1.750 | 1.115 | 0.865 | 0.150 | 0.080 | 0.110 | 0.125 | 0.125 | 0.020 | 0.020 | 0.020 | 0.020 | 90. 00 | ||
| TMS60-31679 | 2.890 | 1.650 | 1.560 | 0.330 | 0.300 | 0.410 | 0.120 | 0.120 | 0.016 | 0.016 | 0.016 | 0.016 | 90. 00 | ||
| TMS60-31705 | 1.800 | 1.000 | 1.000 | 0.120 | 0.100 | 0.120 | 0.150 | 0.150 | 0.030 | 0.030 | 0.030 | 0.030 | 90. 00 | ||
| TMS60-31706 | 1.600 | 1.100 | 1.100 | 0.450 | 0.270 | 0.400 | 0.094 | 0.094 | 0.020 | 0.020 | 0.020 | 0.020 | 90. 00 | ||
| TMS60-31723 | 2.080 | 2.000 | 1.200 | 0.900 | 0.500 | 0.500 | 0.160 | 0.160 | 0.060 | 0.060 | 0.060 | 0.060 | 90. 00 | ||
| TMS60-31803 | 0.872 | 1.000 | 1.000 | 0.173 | 0.063 | 0.157 | 0.120 | 0.120 | 0.031 | 0.031 | 0.031 | 0.031 | 90. 00 | ||
| TMS60-31811 | 2.000 | 1.060 | 0.500 | 0.180 | 0.130 | 0.070 | 0.190 | 0.190 | 0.031 | 0.031 | 0.031 | 0.031 | 90. 00 | ||
| TMS60-31821 | 1.470 | 0.990 | 0.580 | 0.458 | 0.078 | 0.078 | 0.120 | 0.120 | 0.031 | 0.031 | 0.031 | 0.031 | 90. 00 | ||
| TMS60-31863 | 2.090 | 0.865 | 0.400 | 0.213 | 0.078 | 0.078 | 0.120 | 0.031 | 0.031 | 0.031 | 0.031 | 0.031 | 90. 00 | ||
| TMS60-31964 | 3.500 | 1.450 | 1.100 | 0.170 | 0.100 | 0.120 | 0.120 | 0.120 | 0.016 | 0.016 | 0.016 | 0.016 | 90. 00 | ||
| TMS60-31976 | 1.640 | 4.030 | 1.100 | 0.150 | 0.120 | 0.120 | 0.120 | 0.120 | 0.016 | 0.016 | 0.016 | 0.016 | 90. 00 | ||
| TMS60-31982 | 2.750 | 1.300 | 1.100 | 0.220 | 0.120 | 0.120 | 0.190 | 0.190 | 0.031 | 0.031 | 0.031 | 0.031 | 90. 00 | ||
| TMS60-31996 | 3.000 | 1.000 | 1.000 | 0.160 | 0.085 | 0.140 | 0.190 | 0.190 | 0.031 | 0.021 | 0.031 | 0.031 | 90. 00 | ||
| TMS60-3206 | 2.000 | 1.250 | 1.000 | 0.160 | 0.090 | 0.090 | 0.120 | 0.160 | 0.030 | 0.030 | 0.030 | 0.030 | 90. 00 | ||
| TMS60-32325 | 1.950 | 1.150 | 0.350 | 0.164 | 0.062 | 0.062 | 0.090 | 0.120 | 0.031 | 0.031 | 0.031 | 0.031 | 90. 00 | ||
| TMS60-32359 | 3.800 | 1.890 | 0.900 | 0.370 | 0.270 | 0.210 | 0.120 | 0.120 | 0.250 | 0.031 | 0.031 | 0.031 | 90. 00 | ||
| TMS60-32361 | 3.800 | 2.000 | 0.900 | 0.390 | 0.255 | 0.190 | 0.120 | 0.120 | 0.031 | 0.031 | 0.031 | 0.031 | 90. 00 | ||
| TMS60-32362 | 1.500 | 1.000 | 0.800 | 0.094 | 0.070 | 0.070 | 0.125 | 0.125 | 0.031 | 0.031 | 0.031 | 0.031 | 90. 00 | ||
| TMS60-32363 | 1.750 | 1.000 | 0.800 | 0.094 | 0.070 | 0.070 | 0.125 | 0.125 | 0.031 | 0.031 | 0.031 | 0.031 | 90. 00 | ||
| TMS60-32367 | 2.750 | 1.150 | 1.150 | 0.240 | 0.100 | 0.240 | 0.120 | 0.120 | 0.031 | 0.031 | 0.031 | 0.031 | 90. 00 | ||
| TMS60-32368 | 1.250 | 1.000 | 0.500 | 0.140 | 0.080 | 0.080 | 0.120 | 0.120 | 0.031 | 0.031 | 0.031 | 0.031 | 90. 00 | ||
| TMS60-32369 | 1.250 | 1.100 | 0.500 | 0.160 | 0.080 | 0.100 | 0.120 | 0.120 | 0.031 | 0.031 | 0.031 | 0.031 | 90. 00 | ||
| TMS60-32370 | 2.750 | 1.150 | 1.150 | 0.180 | 0.080 | 0.180 | 0.120 | 0.120 | 0.031 | 0.031 | 0.031 | 0.031 | 90. 00 | ||
| TMS60-32381 | 1.378 | 0.984 | 0.315 | 0.079 | 0.079 | 0.079 | 0.118 | 0.118 | 0.016 | 0.016 | 0.016 | 0.016 | 90. 00 | ||
| TMS60-32397 | 1.140 | 0.980 | 0.900 | 0.190 | 0.080 | 0.110 | 0.094 | 0.094 | 0.020 | 0.020 | 0.020 | 0.020 | 90. 00 | ||
| TMS60-32412 | 1.999 | 1.160 | 1.160 | 0.160 | 0.160 | 0.250 | 0.125 | 0.125 | 0.125 | 0.030 | 0.030 | 0.030 | 90. 00 | ||
| TMS60-32413 | 1.999 | 1.125 | 1.125 | 0.400 | 0.125 | 0.125 | 0.125 | 0.125 | 0.030 | 0.030 | 0.030 | 0.030 | 90. 00 | ||
| TMS60-32845 | 1.824 | 1.200 | 0.810 | 0.340 | 0.160 | 0.160 | 0.188 | 0.188 | 0.060 | 0.060 | 0.060 | 0.060 | 90. 00 | ||
| TMS60-32858 | 5.450 | 1.140 | 0.940 | 0.890 | 0.125 | 0.125 | 0.125 | 0.125 | 0.016 | 0.016 | 0.016 | 0.016 | 90. 00 | ||
| TMS60-32885 | 1.864 | 0.930 | 0.810 | 0.280 | 0.120 | 0.120 | 0.188 | 0.188 | 0.030 | 0.030 | 0.030 | 0.030 | 90. 00 | ||
| TMS60-32945 | 2.500 | 1.110 | 1.000 | 0.120 | 0.100 | 0.120 | 0.150 | 0.180 | 0.031 | 0.031 | 0.031 | 0.031 | 90. 00 | ||
| TMS60-32946 | 2.250 | 1.110 | 1.000 | 0.120 | 0.100 | 0.100 | 0.150 | 0.180 | 0.031 | 0.031 | 0.031 | 0.031 | 90. 00 | ||
| TMS60-32968 | 1.181 | 0.984 | 0.315 | 0.079 | 0.079 | 0.138 | 0.118 | 0.118 | 0.016 | 0.016 | 0.016 | 0.016 | 90. 00 | ||
| TMS60-32991 | 1.999 | 1.125 | 0.999 | 0.150 | 0.125 | 0.150 | 0.125 | 0.125 | 0.016 | 0.016 | 0.016 | 0.016 | 90. 00 | ||
| TMS60-33033 | 1.914 | 1.060 | 0.810 | 0.190 | 0.100 | 0.100 | 0.188 | 0.188 | 0.030 | 0.030 | 0.030 | 0.030 | 90. 00 | ||
| TMS60-33042 | 0.380 | 2.240 | 0.375 | 0.080 | 0.060 | 0.120 | 0.125 | 0.125 | 0.090 | 0.030 | 0.030 | 0.090 | 90. 00 | ||
| TMS60-33230 | 2.700 | 2.550 | 1.860 | 0.450 | 0.800 | 0.430 | 0.250 | 0.250 | 0.063 | 0.063 | 0.063 | 0.063 | 90. 00 | ||
| TMS60-33475 | 2.145 | 1.250 | 0.400 | 0.200 | 0.078 | 0.078 | 0.120 | 0.120 | 0.031 | 0.031 | 0.031 | 0.031 | 90. 00 | ||
| TMS60-33499 | 0.750 | 0.900 | 0.500 | 0.160 | 0.250 | 0.200 | 0.100 | 0.100 | 0.020 | 0.020 | 0.020 | 0.020 | 90. 00 | ||
| TMS60-33502 | 0.750 | 0.750 | 0.300 | 0.050 | 0.040 | 0.060 | 0.050 | 0.050 | 0.016 | 0.016 | 0.016 | 0.016 | 90. 00 | ||
| TMS60-33506 | 3.400 | 1.600 | 1.600 | 0.680 | 0.600 | 0.680 | 0.190 | 0.190 | 0.060 | 0.060 | 0.060 | 0.060 | 90. 00 | ||
| TMS60-33511 | 3.840 | 3.250 | 2.880 | 0.220 | 0.170 | 0.220 | 0.250 | 0.250 | 0.380 | 0.020 | 0.020 | 0.380 | 90. 00 | ||
| TMS60-33615 | 1.024 | 0.984 | 0.827 | 0.118 | 0.079 | 0.118 | 0.079 | 0.079 | 0.016 | 0.016 | 0.016 | 0.016 | 90. 00 | ||
| TMS60-33698 | 2.570 | 1.200 | 1.020 | 0.080 | 0.150 | 0.100 | 0.190 | 0.190 | 0.020 | 0.020 | 0.020 | 0.020 | 90. 00 | ||
| TMS60-33733 | 2.125 | 1.050 | 0.625 | 0.230 | 0.078 | 0.078 | 0.120 | 0.120 | 0.031 | 0.031 | 0.031 | 0.031 | 90. 00 | ||
| TMS60-33784 | 0.900 | 0.750 | 0.300 | 0.050 | 0.040 | 0.060 | 0.050 | 0.050 | 0.016 | 0.016 | 0.016 | 0.016 | 90. 00 | ||
| TMS60-33785 | 0.900 | 0.620 | 0.370 | 0.040 | 0.040 | 0.070 | 0.050 | 0.050 | 0.015 | 0.015 | 0.015 | 0.015 | 90. 00 | ||
| TMS60-33786 | 1.200 | 1.000 | 0.500 | 0.080 | 0.080 | 0.100 | 0.090 | 0.090 | 0.016 | 0.016 | 0.016 | 0.016 | 90. 00 | ||
| TMS60-33795 | 2.080 | 2.000 | 1.600 | 0.940 | 0.500 | 0.850 | 0.160 | 0.160 | 0.060 | 0.060 | 0.060 | 0.060 | 90. 00 | ||
| TMS60-33807 | 0.900 | 0.850 | 0.300 | 0.060 | 0.056 | 0.080 | 0.050 | 0.050 | 0.016 | 0.016 | 0.016 | 0.016 | 90. 00 | ||
| TMS60-33808 | 0.900 | 0.750 | 0.300 | 0.090 | 0.070 | 0.110 | 0.050 | 0.050 | 0.016 | 0.016 | 0.016 | 0.016 | 90. 00 | ||
| TMS60-33862 | 1.500 | 1.115 | 0.865 | 0.140 | 0.080 | 0.110 | 0.120 | 0.120 | 0.020 | 0.020 | 0.020 | 0.020 | 90. 00 | ||
| TMS60-33918 | 2.350 | 1.290 | 1.150 | 0.660 | 0.290 | 0.920 | 0.250 | 0.250 | 0.030 | 0.030 | 0.030 | 0.030 | 90. 00 | ||
| TMS60-34012 | 2.310 | 1.290 | 1.110 | 0.630 | 0.250 | 0.260 | 0.250 | 0.250 | 0.030 | 0.030 | 0.030 | 0.030 | 90. 00 | ||
| TMS60-34015 | 2.310 | 1.540 | 1.110 | 0.630 | 0.250 | 0.500 | 0.250 | 0.250 | 0.030 | 0.030 | 0.030 | 0.030 | 90. 00 | ||
| TMS60-34016 | 2.350 | 1.290 | 1.150 | 0.790 | 0.290 | 1.110 | 0.250 | 0.250 | 0.030 | 0.030 | 0.030 | 0.030 | 90. 00 | ||
| TMS60-34056 | 2.540 | 1.370 | 1.350 | 0.540 | 0.300 | 0.330 | 0.120 | 0.120 | 0.016 | 0.016 | 0.016 | 0.016 | 90. 00 | ||
| TMS60-34080 | 1.750 | 1.250 | 1.250 | 0.094 | 0.077 | 0.094 | 0.120 | 0.120 | 0.031 | 0.031 | 0.094 | 0.031 | 90. 00 | ||
| TMS60-34081 | 1.750 | 1.250 | 0.770 | 0.094 | 0.077 | 0.094 | 0.120 | 0.120 | 0.031 | 0.031 | 0.094 | 0.031 | 90. 00 | ||
| TMS60-34143 | 0.945 | 0.866 | 0.827 | 0.098 | 0.118 | 0.118 | 0.118 | 0.118 | 0.008 | 0.008 | 0.008 | 0.008 | 90. 00 | ||
| TMS60-3415 | 1.170 | 1.150 | 1.000 | 0.070 | 0.050 | 0.070 | 0.060 | 0.060 | 0.016 | 0.016 | 0.016 | 0.016 | 90. 00 | ||
| TMS60-34162 | 0.965 | 0.925 | 0.925 | 0.157 | 0.177 | 0.157 | 0.118 | 0.118 | 0.008 | 0.008 | 0.008 | 0.008 | 90. 00 | ||
| TMS60-34211 | 1.502 | 1.235 | 0.965 | 0.312 | 0.200 | 0.170 | 0.060 | 0.125 | 0.125 | 0.020 | 0.020 | 0.020 | 90. 00 | ||
| TMS60-34218 | 1.500 | 1.200 | 0.570 | 0.380 | 0.120 | 0.120 | 0.090 | 0.090 | 0.031 | 0.031 | 0.031 | 0.031 | 90. 00 | ||
| TMS60-34219 | 2.000 | 1.100 | 0.630 | 0.180 | 0.160 | 0.160 | 0.190 | 0.190 | 0.015 | 0.015 | 0.015 | 0.015 | 90. 00 | ||
| TMS60-34222 | 2.350 | 1.580 | 1.150 | 0.660 | 0.290 | 1.310 | 0.250 | 0.250 | 0.030 | 0.030 | 0.030 | 0.030 | 90. 00 | ||
| TMS60-34223 | 1.800 | 2.150 | 2.150 | 0.600 | 0.650 | 0.450 | 0.160 | 0.160 | 0.060 | 0.060 | 0.060 | 0.060 | 90. 00 | ||
| TMS60-34286 | 3.500 | 1.500 | 1.200 | 0.120 | 0.060 | 0.120 | 0.100 | 0.100 | 0.016 | 0.016 | 0.016 | 0.016 | 90. 00 | ||
| TMS60-34291 | 4.500 | 1.500 | 1.200 | 0.120 | 0.080 | 0.120 | 0.100 | 0.100 | 0.016 | 0.016 | 0.016 | 0.016 | 90. 00 | ||
| TMS60-34302 | 2.700 | 2.170 | 1.680 | 0.480 | 0.840 | 0.480 | 0.250 | 0.250 | 0.063 | 0.063 | 0.063 | 0.063 | 90. 00 | ||
| TMS60-34303 | 2.700 | 2.200 | 1.710 | 0.520 | 0.870 | 0.520 | 0.250 | 0.250 | 0.063 | 0.063 | 0.063 | 0.063 | 90. 00 | ||
| TMS60-34398 | 0.900 | 0.800 | 0.300 | 0.100 | 0.070 | 0.120 | 0.060 | 0.060 | 0.016 | 0.016 | 0.016 | 0.016 | 90. 00 | ||
| TMS60-34401 | 1.120 | 0.694 | 0.300 | 0.230 | 0.080 | 0.100 | 0.060 | 0.060 | 0.016 | 0.016 | 0.016 | 0.016 | 90. 00 | ||
| TMS60-34402 | 0.900 | 0.750 | 0.300 | 0.060 | 0.056 | 0.080 | 0.050 | 0.050 | 0.013 | 0.016 | 0.106 | 0.016 | 90. 00 | ||
| TMS60-34422 | 2.500 | 1.350 | 1.250 | 0.230 | 0.150 | 0.150 | 0.160 | 0.160 | 0.031 | 0.090 | 0.031 | 0.031 | 90. 00 | ||
| TMS60-34474 | 1.350 | 1.860 | 1.710 | 0.270 | 0.300 | 0.240 | 0.120 | 0.120 | 0.060 | 0.060 | 0.060 | 0.060 | 90. 00 | ||
| TMS60-34480 | 1.500 | 1.400 | 0.900 | 0.090 | 0.065 | 0.065 | 0.125 | 0.125 | 0.016 | 0.016 | 0.016 | 0.016 | 90. 00 | ||
| TMS60-34481 | 3.500 | 1.000 | 1.000 | 0.100 | 0.070 | 0.100 | 0.120 | 0.120 | 0.031 | 0.031 | 0.031 | 0.031 | 90. 00 | ||
| TMS60-34482 | 1.350 | 1.620 | 1.450 | 0.500 | 0.290 | 0.222 | 0.120 | 0.120 | 0.031 | 0.031 | 0.031 | 0.031 | 90. 00 | ||
| TMS60-34495 | 0.980 | 0.740 | 0.300 | 0.187 | 0.090 | 0.100 | 0.060 | 0.060 | 0.016 | 0.016 | 0.016 | 0.016 | 90. 00 | ||
| TMS60-34496 | 0.900 | 1.000 | 0.300 | 0.100 | 0.080 | 0.150 | 0.060 | 0.060 | 0.016 | 0.016 | 0.016 | 0.016 | 90. 00 | ||
| TMS60-34497 | 0.900 | 1.010 | 0.300 | 0.120 | 0.110 | 0.170 | 0.060 | 0.060 | 0.016 | 0.016 | 0.016 | 0.016 | 90. 00 | ||
| TMS60-34498 | 0.750 | 0.800 | 0.380 | 0.080 | 0.050 | 0.140 | 0.060 | 0.060 | 0.016 | 0.016 | 0.016 | 0.016 | 90. 00 | ||
| TMS60-34514 | 3.420 | 3.020 | 1.910 | 0.750 | 1.480 | 0.870 | 0.250 | 0.250 | 0.031 | 0.031 | 0.031 | 0.031 | 90. 00 | ||
| TMS60-34532 | 0.900 | 0.960 | 0.300 | 0.110 | 0.080 | 0.140 | 0.060 | 0.060 | 0.016 | 0.016 | 16.000 | 0.016 | 90. 00 | ||
| TMS60-34533 | 0.900 | 0.750 | 0.320 | 0.100 | 0.070 | 0.110 | 0.060 | 0.060 | 0.016 | 0.016 | 0.016 | 0.016 | 90. 00 | ||
| TMS60-34612 | 0.900 | 1.030 | 0.390 | 0.070 | 0.060 | 0.090 | 0.060 | 0.060 | 0.016 | 0.016 | 0.016 | 0.016 | 90. 00 | ||
| TMS60-34630 | 1.999 | 1.125 | 0.999 | 0.110 | 0.105 | 0.110 | 0.125 | 0.125 | 0.016 | 0.016 | 0.016 | 0.016 | 90. 00 | ||
| TMS60-34634 | 0.900 | 0.850 | 0.350 | 0.080 | 0.050 | 0.110 | 0.060 | 0.060 | 0.016 | 0.016 | 0.016 | 0.016 | 90. 00 | ||
| TMS60-34635 | 0.900 | 0.750 | 0.350 | 0.090 | 0.045 | 0.090 | 0.060 | 0.060 | 0.016 | 0.016 | 0.016 | 0.016 | 90. 00 | ||
| TMS60-34636 | 0.750 | 0.900 | 0.400 | 0.080 | 0.050 | 0.100 | 0.060 | 0.060 | 0.016 | 0.016 | 0.016 | 0.016 | 90. 00 | ||
| TMS60-34637 | 0.750 | 0.800 | 0.410 | 0.060 | 0.040 | 0.070 | 0.060 | 0.060 | 0.060 | 0.016 | 0.016 | 0.016 | 90. 00 | ||
| TMS60-34638 | 0.750 | 0.850 | 0.380 | 0.060 | 0.050 | 0.120 | 0.060 | 0.060 | 0.016 | 0.016 | 0.016 | 0.016 | 90. 00 | ||
| TMS60-34639 | 0.750 | 0.750 | 0.300 | 0.060 | 0.040 | 0.070 | 0.050 | 0.050 | 0.016 | 0.016 | 0.016 | 0.016 | 90. 00 | ||
| TMS60-34663 | 0.900 | 1.000 | 0.430 | 0.100 | 0.040 | 0.090 | 0.060 | 0.060 | 0.016 | 0.016 | 0.016 | 0.016 | 90. 00 | ||
| TMS60-34664 | 0.900 | 1.030 | 0.430 | 0.080 | 0.050 | 0.090 | 0.060 | 0.060 | 0.016 | 0.016 | 0.016 | 0.016 | 90. 00 | ||
| TMS60-34665 | 2.350 | 1.580 | 1.150 | 0.690 | 0.290 | 1.030 | 0.250 | 0.250 | 0.030 | 0.030 | 0.030 | 0.030 | 90. 00 | ||
| TMS60-34669 | 1.300 | 0.750 | 0.500 | 0.120 | 0.060 | 0.060 | 0.050 | 0.100 | 0.016 | 0.016 | 0.016 | 0.120 | 90. 00 | ||
| TMS60-34697 | 0.750 | 0.750 | 0.300 | 0.070 | 0.050 | 0.100 | 0.060 | 0.060 | 0.016 | 0.016 | 0.016 | 0.016 | 90. 00 | ||
| TMS60-34705 | 1.170 | 0.740 | 0.420 | 0.120 | 0.080 | 0.120 | 0.120 | 0.120 | 0.016 | 0.016 | 0.016 | 0.016 | 90. 00 | ||
| TMS60-34735 | 1.070 | 0.687 | 0.300 | 0.150 | 0.670 | 0.100 | 0.060 | 0.060 | 0.016 | 0.016 | 0.016 | 0.016 | 90. 00 | ||
| TMS60-34736 | 1.090 | 0.700 | 0.300 | 0.110 | 0.063 | 0.090 | 0.070 | 0.070 | 0.016 | 0.016 | 0.016 | 0.016 | 90. 00 | ||
| TMS60-34737 | 1.090 | 0.670 | 0.300 | 0.120 | 0.063 | 0.110 | 0.070 | 0.070 | 0.016 | 0.016 | 0.016 | 0.016 | 90. 00 | ||
| TMS60-34738 | 0.750 | 0.950 | 0.350 | 0.080 | 0.070 | 0.100 | 0.060 | 0.060 | 0.016 | 0.016 | 0.016 | 0.016 | 90. 00 | ||
| TMS60-34743 | 1.417 | 1.142 | 0.512 | 0.118 | 0.197 | 0.134 | 0.098 | 0.098 | 0.031 | 0.020 | 0.020 | 0.031 | 90. 00 | ||
| TMS60-34744 | 1.417 | 1.181 | 0.512 | 0.138 | 0.197 | 0.158 | 0.098 | 0.098 | 0.031 | 0.020 | 0.020 | 0.031 | 90. 00 | ||
| TMS60-34745 | 1.417 | 1.102 | 0.512 | 0.110 | 0.110 | 0.197 | 0.098 | 0.098 | 0.031 | 0.020 | 0.020 | 0.031 | 90. 00 | ||
| TMS60-34787 | 1.000 | 0.960 | 0.600 | 0.070 | 0.070 | 0.120 | 0.125 | 0.125 | 0.016 | 0.016 | 0.016 | 0.016 | 90. 00 | ||
| TMS60-34789 | 2.000 | 1.250 | 1.200 | 0.120 | 0.120 | 0.140 | 0.120 | 0.120 | 0.016 | 0.016 | 0.016 | 0.016 | 90. 00 | ||
| TMS60-34793 | 1.070 | 0.694 | 0.300 | 0.190 | 0.090 | 0.100 | 0.060 | 0.060 | 0.016 | 0.016 | 0.016 | 0.016 | 90. 00 | ||
| TMS60-34794 | 1.090 | 0.730 | 0.330 | 0.207 | 0.100 | 0.120 | 0.060 | 0.060 | 0.016 | 0.016 | 0.016 | 0.016 | 90. 00 | ||
| TMS60-34795 | 1.110 | 0.670 | 0.300 | 0.160 | 0.070 | 0.130 | 0.070 | 0.070 | 0.016 | 0.016 | 0.016 | 0.016 | 90. 00 | ||
| TMS60-34796 | 1.420 | 0.780 | 0.300 | 0.200 | 0.100 | 0.200 | 0.060 | 0.060 | 0.016 | 0.016 | 0.016 | 0.016 | 90. 00 | ||
| TMS60-34797 | 0.900 | 1.100 | 0.350 | 0.080 | 0.070 | 0.120 | 0.060 | 0.060 | 0.016 | 0.016 | 0.016 | 0.016 | 90. 00 | ||
| TMS60-34815 | 1.398 | 1.000 | 0.900 | 0.138 | 0.100 | 0.130 | 0.094 | 0.094 | 0.125 | 0.020 | 0.020 | 0.020 | 90. 00 | ||
| TMS60-34895 | 2.700 | 1.310 | 1.160 | 0.160 | 0.160 | 0.830 | 0.125 | 0.125 | 0.062 | 0.062 | 0.062 | 0.062 | 90. 00 | ||
| TMS60-34949 | 0.900 | 0.600 | 0.300 | 0.090 | 0.070 | 0.100 | 0.070 | 0.070 | 0.016 | 0.016 | 0.016 | 0.016 | 90. 00 | ||
| TMS60-34955 | 0.750 | 0.620 | 0.300 | 0.070 | 0.040 | 0.040 | 0.050 | 0.050 | 0.030 | 0.020 | 0.016 | 0.016 | 90. 00 | ||
| TMS60-34971 | 3.390 | 2.000 | 1.650 | 0.750 | 0.800 | 0.750 | 0.250 | 0.250 | 0.030 | 0.030 | 0.030 | 0.030 | 90. 00 | ||
| TMS60-34972 | 3.390 | 1.860 | 1.580 | 0.500 | 0.660 | 0.610 | 0.250 | 0.250 | 0.030 | 0.030 | 0.030 | 0.030 | 90. 00 | ||
| TMS60-34997 | 1.990 | 1.500 | 1.160 | 0.210 | 0.160 | 0.750 | 0.125 | 0.125 | 0.062 | 0.062 | 0.062 | 0.062 | 90. 00 | ||
| TMS60-3500 | 1.250 | 1.000 | 0.800 | 0.150 | 0.100 | 0.120 | 0.120 | 0.120 | 0.031 | 0.031 | 0.031 | 0.031 | 90. 00 | ||
| TMS60-3503 | 1.250 | 1.000 | 0.500 | 0.150 | 0.100 | 0.120 | 0.120 | 0.120 | 0.031 | 0.031 | 0.031 | 0.031 | 90. 00 | ||
| TMS60-35031 | 2.700 | 1.920 | 1.660 | 0.440 | 0.800 | 0.420 | 0.250 | 0.250 | 0.063 | 0.063 | 0.063 | 0.063 | 90. 00 | ||
| TMS60-35032 | 2.700 | 2.320 | 1.730 | 0.555 | 0.990 | 0.555 | 0.250 | 0.250 | 0.063 | 0.063 | 0.063 | 0.063 | 90. 00 | ||
| TMS60-35087 | 2.750 | 1.130 | 1.000 | 0.130 | 0.100 | 0.100 | 0.130 | 0.130 | 0.031 | 0.031 | 0.031 | 0.031 | 90. 00 | ||
| TMS60-35115 | 2.000 | 1.000 | 0.500 | 0.080 | 0.080 | 0.094 | 0.090 | 0.090 | 0.016 | 0.016 | 0.016 | 0.016 | 90. 00 | ||
| TMS60-35168 | 2.660 | 2.030 | 1.390 | 0.580 | 0.530 | 0.560 | 0.190 | 0.190 | 0.063 | 0.063 | 0.063 | 0.063 | 90. 00 | ||
| TMS60-35169 | 2.490 | 1.490 | 1.300 | 0.300 | 0.290 | 0.380 | 0.190 | 0.190 | 0.063 | 0.063 | 0.063 | 0.063 | 90. 00 | ||
| TMS60-35177 | 0.860 | 0.745 | 0.745 | 0.100 | 0.090 | 0.070 | 0.090 | 0.090 | 0.020 | 0.020 | 0.020 | 0.020 | 90. 00 | ||
| TMS60-35296 | 0.937 | 0.728 | 0.354 | 0.079 | 0.079 | 0.157 | 0.098 | 0.098 | 0.015 | 0.015 | 0.015 | 0.015 | 90. 00 | ||
| TMS60-35303 | 0.941 | 2.953 | 0.260 | 0.079 | 0.079 | 0.157 | 0.079 | 0.079 | 0.016 | 0.016 | 0.016 | 0.016 | 90. 00 | ||
| TMS60-35309 | 1.000 | 0.900 | 0.315 | 0.051 | 0.051 | 0.063 | 0.098 | 0.098 | 0.016 | 0.016 | 0.016 | 0.016 | 90. 00 | ||
| TMS60-35310 | 1.000 | 0.900 | 0.315 | 0.063 | 0.051 | 0.079 | 0.098 | 0.098 | 0.016 | 0.016 | 0.016 | 0.016 | 90. 00 | ||
| TMS60-35311 | 1.000 | 0.900 | 0.315 | 0.063 | 0.063 | 0.118 | 0.098 | 0.098 | 0.016 | 0.016 | 0.016 | 0.016 | 90. 00 | ||
| TMS60-35312 | 1.102 | 1.000 | 0.315 | 0.071 | 0.079 | 0.157 | 0.098 | 0.098 | 0.016 | 0.016 | 0.016 | 0.016 | 90. 00 | ||
| TMS60-35313 | 0.900 | 1.102 | 0.315 | 0.071 | 0.063 | 0.118 | 0.098 | 0.098 | 0.016 | 0.016 | 0.016 | 0.016 | 90. 00 | ||
| TMS60-35334 | 1.400 | 2.010 | 1.630 | 0.420 | 0.340 | 0.280 | 0.120 | 0.120 | 0.031 | 0.031 | 0.031 | 0.031 | 90. 00 | ||
| TMS60-35474 | 2.500 | 1.000 | 1.000 | 0.094 | 0.094 | 0.094 | 0.188 | 0.125 | 0.250 | 0.031 | 0.031 | 0.031 | 90. 00 | ||
| TMS60-35549 | 2.337 | 1.380 | 1.000 | 1.015 | 0.380 | 0.687 | 0.180 | 0.180 | 0.032 | 0.032 | 0.032 | 0.032 | 90. 00 | ||
| TMS60-35564 | 1.000 | 1.063 | 0.031 | 0.051 | 0.051 | 0.063 | 0.098 | 0.098 | 0.016 | 0.016 | 0.016 | 0.016 | 90. 00 | ||
| TMS60-35614 | 1.000 | 0.900 | 0.800 | 0.080 | 0.080 | 0.080 | 0.063 | 0.063 | 0.016 | 0.016 | 0.016 | 0.016 | 90. 00 | ||
| TMS60-35641 | 0.200 | 0.490 | 0.490 | 0.032 | 0.032 | 0.032 | 0.040 | 0.040 | 0.016 | 0.016 | 0.016 | 0.016 | 90. 00 | ||
| TMS60-35653 | 3.500 | 1.000 | 1.000 | 0.080 | 0.060 | 0.120 | 0.100 | 0.100 | 0.016 | 0.016 | 0.016 | 0.060 | 90. 00 | ||
| TMS60-35654 | 1.162 | 1.212 | 0.408 | 0.258 | 0.096 | 0.157 | 0.100 | 0.100 | 0.016 | 0.016 | 0.016 | 0.016 | 90. 00 | ||
| TMS60-35655 | 0.760 | 0.629 | 0.308 | 0.066 | 0.066 | 0.076 | 0.050 | 0.050 | 0.030 | 0.020 | 0.016 | 0.016 | 90. 00 | ||
| TMS60-35660 | 0.750 | 0.500 | 0.500 | 0.020 | 0.020 | 0.020 | 0.094 | 0.094 | 0.016 | 0.016 | 0.016 | 0.016 | 90. 00 | ||
| TMS60-35738 | 0.890 | 0.680 | 0.300 | 0.130 | 0.070 | 0.080 | 0.060 | 0.060 | 0.016 | 0.016 | 0.016 | 0.016 | 90. 00 | ||
| TMS60-35789 | 1.090 | 0.700 | 0.300 | 0.110 | 0.063 | 0.100 | 0.070 | 0.070 | 0.016 | 0.016 | 0.016 | 0.016 | 90. 00 | ||
| TMS60-35790 | 1.150 | 1.350 | 0.600 | 0.300 | 0.300 | 0.300 | 0.100 | 0.100 | 0.020 | 0.020 | 0.020 | 0.020 | 90. 00 | ||
| TMS60-35793 | 1.500 | 1.500 | 0.800 | 0.150 | 0.080 | 0.100 | 0.125 | 0.125 | 0.060 | 0.060 | 0.060 | 0.060 | 90. 00 | ||
| TMS60-35826 | 1.250 | 1.000 | 1.000 | 0.062 | 0.062 | 0.062 | 0.125 | 0.016 | 0.016 | 0.016 | 0.016 | 0.016 | 90. 00 | ||
| TMS60-35829 | 0.294 | 2.250 | 0.530 | 0.032 | 0.032 | 0.032 | 0.090 | 0.090 | 0.016 | 0.016 | 0.016 | 0.016 | 90. 00 | ||
| TMS60-35830 | 2.350 | 1.290 | 1.150 | 0.840 | 0.290 | 1.030 | 0.250 | 0.250 | 0.030 | 0.030 | 0.030 | 0.030 | 90. 00 | ||
| TMS60-35884 | 2.250 | 1.000 | 1.000 | 0.094 | 0.094 | 0.094 | 0.125 | 0.125 | 0.010 | 0.094 | 0.010 | 0.010 | 90. 00 | ||
| TMS60-359 | 0.750 | 1.500 | 0.750 | 0.156 | 0.072 | 0.072 | 0.125 | 0.125 | 0.031 | 0.031 | 0.031 | 0.031 | 90. 00 | ||
| TMS60-35931 | 1.750 | 2.300 | 1.400 | 0.600 | 0.400 | 0.600 | 0.190 | 0.190 | 0.031 | 0.031 | 0.031 | 0.031 | 90. 00 | ||
| TMS60-35937 | 0.600 | 1.750 | 1.000 | 0.050 | 0.050 | 0.050 | 0.090 | 0.090 | 0.016 | 0.016 | 0.016 | 0.016 | 90. 00 | ||
| TMS60-3612 | 1.750 | 1.000 | 0.500 | 0.150 | 0.100 | 0.120 | 0.120 | 0.120 | 0.031 | 0.031 | 0.031 | 0.031 | 90. 00 | ||
| TMS60-3667 | 0.200 | 2.040 | 0.600 | 0.055 | 0.040 | 0.040 | 0.025 | 0.025 | 0.016 | 0.016 | 0.016 | 0.016 | 90. 00 | ||
| TMS60-3805 | 2.250 | 1.250 | 0.900 | 0.130 | 0.090 | 0.090 | 0.120 | 0.120 | 0.031 | 0.031 | 0.031 | 0.031 | 90. 00 | ||
| TMS60-3830 | 2.150 | 1.360 | 1.070 | 0.130 | 0.100 | 0.130 | 0.130 | 0.130 | 0.016 | 0.016 | 0.016 | 0.016 | 90. 00 | ||
| TMS60-3931 | 2.500 | 1.200 | 0.880 | 0.188 | 0.090 | 0.080 | 0.090 | 0.156 | 0.031 | 0.031 | 0.031 | 0.031 | 90. 00 | ||
| TMS60-4093 | 2.300 | 1.000 | 1.000 | 0.220 | 0.100 | 0.180 | 0.156 | 0.156 | 0.016 | 0.016 | 0.016 | 0.016 | 90. 00 | ||
| TMS60-4109 | 1.250 | 0.750 | 0.650 | 0.062 | 0.050 | 0.062 | 0.062 | 0.062 | 0.031 | 0.031 | 0.031 | 0.031 | 90. 00 | ||
| TMS60-413 | 1.750 | 1.000 | 0.750 | 0.200 | 0.110 | 0.200 | 0.100 | 0.100 | 0.016 | 0.016 | 0.016 | 0.016 | 90. 00 | ||
| TMS60-4160 | 1.250 | 0.750 | 0.600 | 0.080 | 0.051 | 0.063 | 0.063 | 0.063 | 0.016 | 0.016 | 0.016 | 0.016 | 90. 00 | ||
| TMS60-4171 | 0.900 | 0.750 | 0.600 | 0.080 | 0.042 | 0.060 | 0.063 | 0.063 | 0.016 | 0.016 | 0.016 | 0.016 | 90. 00 | ||
| TMS60-420 | 2.625 | 1.470 | 0.900 | 0.125 | 0.156 | 0.188 | 0.094 | 0.094 | 0.094 | 0.062 | 0.062 | 0.094 | 90. 00 | ||
| TMS60-4335 | 2.750 | 1.250 | 1.000 | 0.130 | 0.100 | 0.100 | 0.130 | 0.130 | 0.031 | 0.031 | 0.031 | 0.031 | 90. 00 | ||
| TMS60-4358 | 3.750 | 1.400 | 1.200 | 0.210 | 0.140 | 0.210 | 0.160 | 0.160 | 0.030 | 0.030 | 0.030 | 0.030 | 90. 00 | ||
| TMS60-4365 | 1.300 | 1.105 | 0.785 | 0.120 | 0.105 | 0.120 | 0.094 | 0.094 | 0.016 | 0.016 | 0.016 | 0.016 | 90. 00 | ||
| TMS60-4377 | 0.480 | 1.100 | 0.870 | 0.150 | 0.120 | 0.120 | 0.125 | 0.125 | 0.016 | 0.016 | 0.016 | 0.016 | 90. 00 | ||
| TMS60-4441 | 1.300 | 1.105 | 0.785 | 0.150 | 0.105 | 0.120 | 0.094 | 0.094 | 0.016 | 0.016 | 0.016 | 0.016 | 90. 00 | ||
| TMS60-4442 | 1.750 | 1.900 | 0.750 | 0.180 | 0.125 | 0.180 | 0.160 | 0.160 | 0.016 | 0.016 | 0.016 | 0.016 | 90. 00 | ||
| TMS60-4521 | 1.750 | 1.000 | 0.700 | 0.140 | 0.125 | 0.140 | 0.380 | 0.380 | 0.030 | 0.030 | 0.030 | 0.030 | 90. 00 | ||
| TMS60-4587 | 1.750 | 1.250 | 0.770 | 0.094 | 0.077 | 0.094 | 0.120 | 0.120 | 0.030 | 0.030 | 0.094 | 0.030 | 90. 00 | ||
| TMS60-4634 | 1.500 | 0.800 | 0.750 | 0.070 | 0.060 | 0.070 | 0.047 | 0.062 | 0.016 | 0.032 | 0.016 | 0.016 | 90. 00 | ||
| TMS60-4771 | 1.380 | 1.700 | 0.650 | 0.110 | 0.085 | 0.090 | 0.094 | 0.094 | 0.031 | 0.031 | 0.031 | 0.031 | 90. 00 | ||
| TMS60-4793 | 1.250 | 1.270 | 1.257 | 0.086 | 0.060 | 0.060 | 0.120 | 0.120 | 0.016 | 0.016 | 0.016 | 0.016 | 90. 00 | ||
| TMS60-4819 | 1.750 | 1.000 | 1.000 | 0.160 | 0.125 | 0.125 | 0.125 | 0.125 | 0.016 | 0.125 | 0.016 | 0.016 | 90. 00 | ||
| TMS60-5011 | 1.000 | 0.675 | 0.375 | 0.046 | 0.040 | 0.040 | 0.063 | 0.063 | 0.016 | 0.020 | 0.016 | 0.016 | 90. 00 | ||
| TMS60-5332 | 1.150 | 1.080 | 0.850 | 0.400 | 0.120 | 0.250 | 0.100 | 0.100 | 0.200 | 0.016 | 0.016 | 0.200 | 90. 00 | ||
| TMS60-5446 | 1.375 | 1.000 | 0.580 | 0.150 | 0.080 | 0.080 | 0.125 | 0.125 | 0.030 | 0.150 | 0.030 | 0.030 | 90. 00 | ||
| TMS60-5620 | 1.000 | 1.000 | 0.640 | 0.080 | 0.080 | 0.140 | 0.090 | 0.090 | 0.032 | 0.032 | 0.032 | 0.032 | 90. 00 | ||
| TMS60-5660 | 0.997 | 2.650 | 0.945 | 0.281 | 0.125 | 0.125 | 0.090 | 0.090 | 0.016 | 0.016 | 0.016 | 0.016 | 90. 00 | ||
| TMS60-5751 | 1.250 | 1.281 | 1.270 | 0.069 | 0.069 | 0.086 | 0.120 | 0.120 | 0.016 | 0.016 | 0.016 | 0.016 | 90. 00 | ||
| TMS60-6223 | 3.500 | 1.020 | 1.020 | 0.120 | 0.080 | 0.120 | 0.090 | 0.090 | 0.031 | 0.120 | 0.031 | 0.031 | 90. 00 | ||
| TMS60-6547 | 1.250 | 3.000 | 0.900 | 0.080 | 0.080 | 0.060 | 0.100 | 0.100 | 0.030 | 0.030 | 0.030 | 0.030 | 90. 00 | ||
| TMS60-6694 | 2.500 | 1.000 | 0.850 | 0.100 | 0.060 | 0.060 | 0.120 | 0.120 | 0.016 | 0.016 | 0.016 | 0.016 | 90. 00 | ||
| TMS60-6708 | 0.700 | 0.750 | 0.600 | 0.080 | 0.045 | 0.070 | 0.090 | 0.090 | 0.016 | 0.016 | 0.016 | 0.016 | 90. 00 | ||
| TMS60-6759 | 4.280 | 3.000 | 2.420 | 2.460 | 1.320 | 1.200 | 0.250 | 0.250 | 0.016 | 0.016 | 0.016 | 0.016 | 90. 00 | ||
| TMS60-6773 | 1.650 | 0.750 | 0.400 | 0.070 | 0.050 | 0.080 | 0.090 | 0.090 | 0.025 | 0.025 | 0.025 | 0.025 | 90. 00 | ||
| TMS60-6802 | 1.500 | 0.710 | 0.520 | 0.060 | 0.040 | 0.050 | 0.060 | 0.060 | 0.016 | 0.016 | 0.016 | 0.016 | 90. 00 | ||
| TMS60-6806 | 0.900 | 1.350 | 0.560 | 0.068 | 0.060 | 0.060 | 0.125 | 0.125 | 0.016 | 0.016 | 0.016 | 0.016 | 90. 00 | ||
| TMS60-6819 | 1.850 | 2.000 | 0.500 | 0.160 | 0.100 | 0.100 | 0.120 | 0.120 | 0.031 | 0.031 | 0.031 | 0.031 | 90. 00 | ||
| TMS60-6878 | 3.000 | 1.312 | 0.500 | 0.125 | 0.125 | 0.140 | 0.125 | 0.125 | 0.031 | 0.031 | 0.031 | 0.031 | 90. 00 | ||
| TMS60-6995 | 2.890 | 1.660 | 1.300 | 0.250 | 0.110 | 0.270 | 0.120 | 0.120 | 0.016 | 0.016 | 0.016 | 0.016 | 90. 00 | ||
| TMS60-70039 | 1.496 | 1.103 | 0.394 | 0.178 | 0.178 | 0.276 | 0.178 | 0.178 | 0.020 | 0.020 | 0.020 | 0.020 | 90. 00 | ||
| TMS60-70296 | 0.787 | 0.984 | 0.866 | 0.118 | 0.118 | 0.157 | 0.118 | 0.118 | 0.020 | 0.020 | 0.020 | 0.020 | 90. 00 | ||
| TMS60-70301 | 1.102 | 0.866 | 0.236 | 0.086 | 0.087 | 0.264 | 0.063 | 0.079 | 0.079 | 0.020 | 0.020 | 0.063 | 90. 00 | ||
| TMS60-70370 | 1.976 | 1.224 | 1.177 | 0.476 | 0.476 | 0.575 | 0.020 | 0.020 | 0.020 | 0.020 | 0.020 | 0.020 | 90. 00 | ||
| TMS60-70397 | 1.122 | 0.900 | 0.728 | 0.087 | 0.118 | 0.256 | 0.098 | 0.098 | 0.012 | 0.012 | 0.012 | 0.012 | 90. 00 | ||
| TMS60-70483 | 1.260 | 0.984 | 0.433 | 0.433 | 0.276 | 0.177 | 0.118 | 0.118 | 0.016 | 0.016 | 0.016 | 0.016 | 90. 00 | ||
| TMS60-70560 | 1.125 | 0.900 | 0.800 | 0.180 | 0.200 | 0.200 | 0.100 | 0.100 | 0.020 | 0.020 | 0.020 | 0.020 | 90. 00 | ||
| TMS60-70595 | 1.654 | 0.945 | 0.492 | 0.551 | 0.177 | 0.276 | 0.079 | 0.079 | 0.016 | 0.016 | 0.016 | 0.016 | 90. 00 | ||
| TMS60-70613 | 1.969 | 1.024 | 0.866 | 0.071 | 0.071 | 0.063 | 0.071 | 0.071 | 0.024 | 0.020 | 0.024 | 0.020 | 90. 00 | ||
| TMS60-70691 | 1.000 | 1.000 | 1.000 | 0.130 | 0.120 | 0.140 | 0.063 | 0.063 | 0.016 | 0.016 | 0.016 | 0.016 | 90. 00 | ||
| TMS60-70851 | 1.969 | 1.024 | 0.866 | 0.071 | 0.071 | 0.071 | 0.071 | 0.071 | 0.016 | 0.016 | 0.016 | 0.016 | 90. 00 | ||
| TMS60-70918 | 3.000 | 1.250 | 1.250 | 0.094 | 0.125 | 0.094 | 0.094 | 0.094 | 0.016 | 0.016 | 0.016 | 0.016 | 90. 00 | ||
| TMS60-71020 | 1.140 | 1.000 | 0.350 | 0.100 | 0.120 | 0.063 | 0.063 | 0.100 | 0.016 | 0.016 | 0.016 | 0.100 | 90. 00 | ||
| TMS60-71021 | 1.120 | 0.900 | 0.350 | 0.080 | 0.080 | 0.080 | 0.063 | 0.100 | 0.016 | 0.016 | 0.016 | 0.100 | 90. 00 | ||
| TMS60-71022 | 3.280 | 0.900 | 0.230 | 0.063 | 0.063 | 0.230 | 0.063 | 0.120 | 0.016 | 0.016 | 0.016 | 0.090 | 90. 00 | ||
| TMS60-71062 | 0.900 | 0.620 | 0.400 | 0.060 | 0.060 | 0.080 | 0.100 | 0.050 | 0.030 | 0.020 | 0.016 | 0.016 | 90. 00 | ||
| TMS60-7149 | 2.470 | 1.660 | 1.300 | 0.270 | 0.110 | 0.270 | 0.120 | 0.120 | 0.016 | 0.016 | 0.016 | 0.016 | 90. 00 | ||
| TMS60-7233 | 3.000 | 1.000 | 1.000 | 0.080 | 0.050 | 0.080 | 0.120 | 0.120 | 0.016 | 0.016 | 0.016 | 0.016 | 90. 00 | ||
| TMS60-7253 | 2.000 | 1.100 | 1.000 | 0.180 | 0.094 | 0.094 | 0.125 | 0.125 | 0.016 | 0.016 | 0.016 | 0.016 | 90. 00 | ||
| TMS60-7361 | 2.000 | 1.000 | 0.850 | 0.100 | 0.060 | 0.060 | 0.120 | 0.120 | 0.016 | 0.016 | 0.016 | 0.016 | 90. 00 | ||
| TMS60-7531 | 1.344 | 0.875 | 0.875 | 0.125 | 0.094 | 0.125 | 0.125 | 0.125 | 0.016 | 0.062 | 0.016 | 0.016 | 90. 00 | ||
| TMS60-7571 | 1.750 | 1.000 | 0.750 | 0.140 | 0.080 | 0.080 | 0.120 | 0.120 | 0.031 | 0.031 | 0.031 | 0.031 | 90. 00 | ||
| TMS60-7572 | 1.500 | 1.000 | 0.750 | 0.125 | 0.080 | 0.080 | 0.120 | 0.120 | 0.031 | 0.031 | 0.031 | 0.031 | 90. 00 | ||
| TMS60-7731 | 3.700 | 1.250 | 1.250 | 0.130 | 0.080 | 0.130 | 0.250 | 0.250 | 0.310 | 0.016 | 0.016 | 0.310 | 90. 00 | ||
| TMS60-7740 | 1.250 | 1.250 | 0.880 | 0.140 | 0.090 | 0.125 | 0.120 | 0.120 | 0.160 | 0.080 | 0.060 | 0.060 | 90. 00 | ||
| TMS60-7809 | 2.740 | 1.770 | 1.750 | 0.560 | 0.400 | 0.700 | 0.250 | 0.250 | 0.060 | 0.060 | 0.060 | 0.060 | 90. 00 | ||
| TMS60-7865 | 1.200 | 0.850 | 0.750 | 0.100 | 0.080 | 0.100 | 0.120 | 0.120 | 0.032 | 0.032 | 0.032 | 0.032 | 90. 00 | ||
| TMS60-7869 | 3.000 | 2.120 | 1.250 | 0.210 | 0.156 | 0.250 | 0.188 | 0.188 | 0.031 | 0.031 | 0.031 | 0.031 | 90. 00 | ||
| TMS60-7876 | 1.250 | 1.190 | 0.750 | 0.350 | 0.080 | 0.080 | 0.125 | 0.125 | 0.031 | 0.031 | 0.031 | 0.031 | 90. 00 | ||
| TMS60-7936 | 1.000 | 1.000 | 0.900 | 0.120 | 0.070 | 0.080 | 0.125 | 0.125 | 0.031 | 0.031 | 0.031 | 0.031 | 90. 00 | ||
| TMS60-8113 | 1.650 | 0.710 | 0.520 | 0.060 | 0.050 | 0.050 | 0.060 | 0.060 | 0.016 | 0.016 | 0.016 | 0.016 | 90. 00 | ||
| TMS60-8182 | 1.750 | 0.800 | 0.750 | 0.100 | 0.063 | 0.100 | 0.094 | 0.094 | 0.031 | 0.031 | 0.031 | 0.031 | 90. 00 | ||
| TMS60-8212 | 0.750 | 1.000 | 0.250 | 0.090 | 0.090 | 0.125 | 0.090 | 0.090 | 0.016 | 0.016 | 0.016 | 0.016 | 90. 00 | ||
| TMS60-8220 | 2.620 | 0.880 | 0.880 | 0.125 | 0.063 | 0.063 | 0.125 | 0.125 | 0.032 | 0.032 | 0.032 | 0.032 | 90. 00 | ||
| TMS60-8323 | 2.545 | 0.772 | 0.772 | 0.216 | 0.151 | 0.216 | 0.151 | 0.151 | 0.016 | 0.016 | 0.016 | 0.016 | 90. 00 | ||
| TMS60-8336 | 1.500 | 1.100 | 0.970 | 0.090 | 0.070 | 0.090 | 0.120 | 0.120 | 0.031 | 0.031 | 0.031 | 0.031 | 90. 00 | ||
| TMS60-8339 | 1.250 | 1.245 | 0.850 | 0.188 | 0.125 | 0.156 | 0.120 | 0.120 | 0.031 | 0.188 | 0.031 | 0.031 | 90. 00 | ||
| TMS60-8344 | 2.412 | 0.764 | 0.672 | 0.177 | 0.147 | 0.177 | 0.147 | 0.147 | 0.016 | 0.016 | 0.016 | 0.016 | 90. 00 | ||
| TMS60-8425 | 1.600 | 0.850 | 0.650 | 0.160 | 0.150 | 0.150 | 0.150 | 0.150 | 0.031 | 0.031 | 0.031 | 0.031 | 90. 00 | ||
| TMS60-8485 | 1.500 | 1.300 | 1.090 | 0.090 | 0.090 | 0.150 | 0.120 | 0.120 | 0.031 | 0.031 | 0.031 | 0.031 | 90. 00 | ||
| TMS60-8579 | 3.550 | 1.320 | 1.100 | 0.780 | 0.160 | 0.200 | 0.160 | 0.160 | 0.030 | 0.030 | 0.030 | 0.030 | 90. 00 | ||
| TMS60-8611 | 1.750 | 1.000 | 0.680 | 0.110 | 0.080 | 0.080 | 0.125 | 0.125 | 0.031 | 0.031 | 0.031 | 0.031 | 90. 00 | ||
| TMS60-8612 | 1.500 | 1.000 | 0.630 | 0.125 | 0.070 | 0.080 | 0.125 | 0.125 | 0.031 | 0.120 | 0.031 | 0.031 | 90. 00 | ||
| TMS60-8613 | 2.500 | 1.100 | 0.750 | 0.120 | 0.060 | 0.060 | 0.120 | 0.120 | 0.030 | 0.060 | 0.010 | 0.030 | 90. 00 | ||
| TMS60-8616 | 2.000 | 1.500 | 1.500 | 0.270 | 0.100 | 0.200 | 0.120 | 0.120 | 0.031 | 0.031 | 0.031 | 0.031 | 90. 00 | ||
| TMS60-8644 | 3.000 | 1.260 | 0.900 | 0.200 | 0.140 | 0.140 | 0.140 | 0.140 | 0.031 | 0.060 | 0.031 | 0.031 | 90. 00 | ||
| TMS60-8807 | 1.500 | 0.840 | 0.840 | 0.125 | 0.060 | 0.090 | 0.060 | 0.060 | 0.016 | 0.016 | 0.016 | 0.016 | 90. 00 | ||
| TMS60-8911 | 1.400 | 0.870 | 0.520 | 0.071 | 0.040 | 0.050 | 0.060 | 0.060 | 0.016 | 0.016 | 0.016 | 0.016 | 90. 00 | ||
| TMS60-8980 | 2.000 | 1.460 | 0.680 | 0.130 | 0.070 | 0.090 | 0.125 | 0.125 | 0.031 | 0.031 | 0.031 | 0.031 | 90. 00 | ||
| TMS60-9087 | 1.000 | 0.750 | 0.450 | 0.063 | 0.045 | 0.050 | 0.090 | 0.090 | 0.016 | 0.016 | 0.016 | 0.016 | 90. 00 | ||
| TMS60-9253 | 1.250 | 1.000 | 0.500 | 0.120 | 0.080 | 0.080 | 0.125 | 0.125 | 0.031 | 0.031 | 0.031 | 0.031 | 90. 00 | ||
| TMS60-9254 | 1.000 | 1.000 | 0.500 | 0.120 | 0.070 | 0.080 | 0.125 | 0.125 | 0.031 | 0.031 | 0.031 | 0.031 | 90. 00 | ||
| TMS60-9256 | 1.750 | 1.250 | 1.250 | 0.094 | 0.077 | 0.094 | 0.120 | 0.120 | 0.030 | 0.030 | 0.094 | 0.030 | 90. 00 | ||
| TMS60-9315 | 0.819 | 0.748 | 0.748 | 0.059 | 0.047 | 0.059 | 0.079 | 0.079 | 0.016 | 0.016 | 0.016 | 0.016 | 90. 00 | ||
| TMS60-9325 | 1.800 | 1.880 | 1.350 | 0.180 | 0.180 | 0.380 | 0.120 | 0.120 | 0.030 | 0.030 | 0.030 | 0.030 | 90. 00 | ||
| TMS60-9330 | 2.000 | 1.250 | 1.000 | 0.240 | 0.110 | 0.100 | 0.120 | 0.180 | 0.030 | 0.030 | 0.030 | 0.030 | 90. 00 | ||
| TMS60-9444 | 1.188 | 0.875 | 0.750 | 0.062 | 0.062 | 0.062 | 0.062 | 0.188 | 0.016 | 0.016 | 0.016 | 0.250 | 90. 00 | ||
| TMS60-9480 | 2.000 | 1.250 | 0.750 | 0.180 | 0.100 | 0.150 | 0.120 | 0.120 | 0.030 | 0.030 | 0.030 | 0.030 | 90. 00 | ||
| TMS60-9555 | 1.670 | 0.875 | 0.930 | 0.080 | 0.070 | 0.080 | 0.060 | 0.060 | 0.016 | 0.016 | 0.016 | 0.016 | 90. 00 | ||
| TMS60-9700 | 1.000 | 0.900 | 0.500 | 0.125 | 0.060 | 0.060 | 0.094 | 0.125 | 0.010 | 0.010 | 0.010 | 0.010 | 90. 00 | ||
| TMS60-9778 | 2.350 | 1.800 | 1.500 | 0.400 | 0.350 | 0.350 | 0.250 | 0.250 | 0.031 | 0.031 | 0.031 | 0.031 | 90. 00 | ||
| TMS60-9797 | 1.250 | 1.000 | 0.750 | 0.100 | 0.070 | 0.070 | 0.125 | 0.125 | 0.031 | 0.031 | 0.031 | 0.031 | 90. 00 | ||
| TMS60-9956 | 1.500 | 1.000 | 0.630 | 0.200 | 0.100 | 0.150 | 0.130 | 0.130 | 0.031 | 0.031 | 0.031 | 0.031 | 90. 00 | ||
| TMS60-9972 | 2.000 | 1.700 | 1.510 | 0.760 | 0.330 | 0.700 | 0.120 | 0.120 | 0.016 | 0.016 | 0.016 | 0.016 | 90. 00 |
How to use our search tool for Aluminum Zee, Un-Equal Thickness
The data table has some powerfull tools to help you search through Aluminum Zee, Un-Equal Thickness . Using the sort function and filters, we provide a unique user experience taking the hastle out of finding extruded shapes to funnel down, not just to the best fit extrusion, but a profile that is either available from stock or an item that we are tooled for.
Services and processes for your Aluminum Zee, Un-Equal Thickness
Aircraft Extrusion Company offers CNC Machining, Forming, Rolling and Shrinking of aerospace profiles. Our fast turn around times are days, not weeks. Custom tooling and expert team of fabricators and engineering prove a single source for material processing and handling.
New OEM Parts
Aerospace Extrusion technology has grown. Today we can extrude as little as 12ft within 5 weeks with your custom design. Our CAD team provide quotes within one day. Pricing is exceptionally competative. Our die charges start at $325.00 for a new die. Unlike soft alloys like 5052, 6061, Aerospace alloys have to be extruded on special machines. Mechanical properties have to be locked in during the heat treatment process, then we test material for dimentional tolerance, mechanical and chemical composition. All our aerospace profiles are supplied with full certification and qualified for all major specifications including AMS, QQA, WWT amd AMS specifications.